EasyManua.ls Logo

flamco Flamcomat - Exemples Dinstallation

flamco Flamcomat
62 pages
Print Icon
To Next Page IconTo Next Page
To Next Page IconTo Next Page
To Previous Page IconTo Previous Page
To Previous Page IconTo Previous Page
Loading...
TemplateA4_v20130506
58
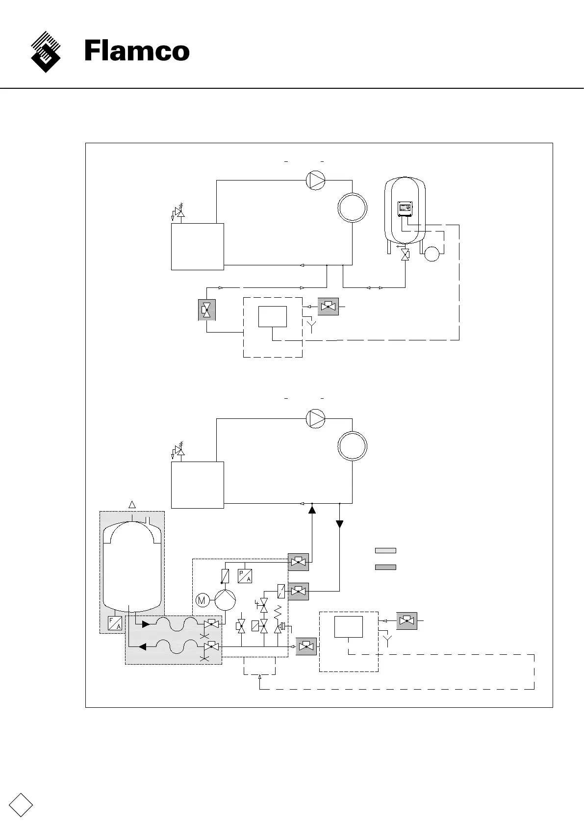
1.3 Exemple d'installation
M -K
L
F la m c o -F I L L P
DN *
F la m c o -F I L L P
*
**
Température de départ <105°C(STB<110°C)
Température de départ <105°C(STB<110°C)
Exemple de remplissage
à contrôle de niveau avec
un Flamco-Fill P sur un
Flexcon MK
Exemple de
remplissage à
contrôle de niveau avec un
Flamco-Fill P sur un
Flexcon MK
Remarque :
Si la ligne de retour chemine à l'horizontale, appliquer
leraccordementparledessus(pasparledessous)an
d'éviter une contamination supplémentaire.
A fournir par le client : Entrée de système, sortie
de système, entrée de remplissage, raccords de
composant.
Unité de commande
PLC
Borne(8,9);33,34;18,19,20conformémentàPLC
Entrée d'eau de remplissage
Dispositif de couplage *
Vase principal*
Côté alimentation
du système
Côté alimentation
du système
Module de commande Flamcomat *
Vanned'arrêt**
Vanned'arrêt**
Volume de livraison, standard.
Accessoires
Compresseur
unité de maintien de
pression avec
commande PLC
Chauffe-eau
Chauffe-eau
Bornier
Bornier
Entrée d'eau de remplissage
Borne(8,9);33,34;18,19,20conformémentàPLC
Branche chaude
Branche chaude
Branche froide
Branche froide

Table of Contents

Related product manuals