EasyManua.ls Logo

flamco Flamcomat - Annexe 2. Caractéristiques Techniques Et Spécifications; Pression, Température, Volume, Etc; Poids Et Dimensions

flamco Flamcomat
62 pages
Print Icon
To Next Page IconTo Next Page
To Next Page IconTo Next Page
To Previous Page IconTo Previous Page
To Previous Page IconTo Previous Page
Loading...
TemplateA4_v20130506
59
FRA
Annexe 2. Données techniques et spécications
2.1 Pression, température, volume, etc.
•Pressiondesystème(enavaldel'unité): 1à9bar(plagedepressiondeservice)
•Surpressiondesystèmemax.autorisée: 10bar(PN10)(surleraccorddesystème)
•Débitvolumiqueduuide: jusqu'àmax.210litres/hà1bar;jusqu'à165litres/heureà9bar
•Températuredefonctionnement: 3àmax.90°C(aupointderaccordementFlamco-FillP)
•Températuresducôtéalimentation: >0à105°C
•Niveausonoreenfonctionnement: ~55dB(A)
•Températureambianteenfonctionnement: >0à40°C
• Température d'eau d'entrée : 3 à 30 °C
• Pression de débit minimal de l'eau de remplissage : 1 bar
•Pressionderemplissagemax.: 10bar
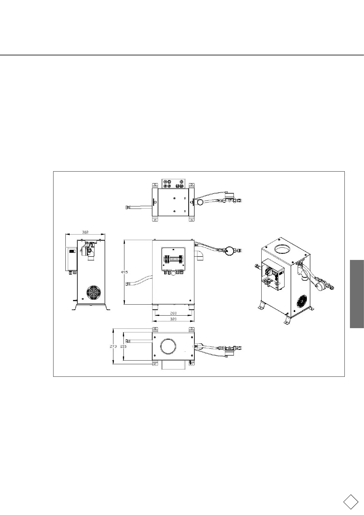
2.2 Poids et dimensions
Poids: Env.24kg(vide).
Raccordement de l'installation : assemblage par vis G½" sur tuyau renforcé.
Raccord d'entrée : Filetage externe Rp½".

Table of Contents

Related product manuals