EasyManua.ls Logo

Formech 686 - Pneumatics Circuit Diagram

Formech 686
68 pages
Print Icon
To Next Page IconTo Next Page
To Next Page IconTo Next Page
To Previous Page IconTo Previous Page
To Previous Page IconTo Previous Page
Loading...
Manual - Formech 686PT - Rev 8.8
62
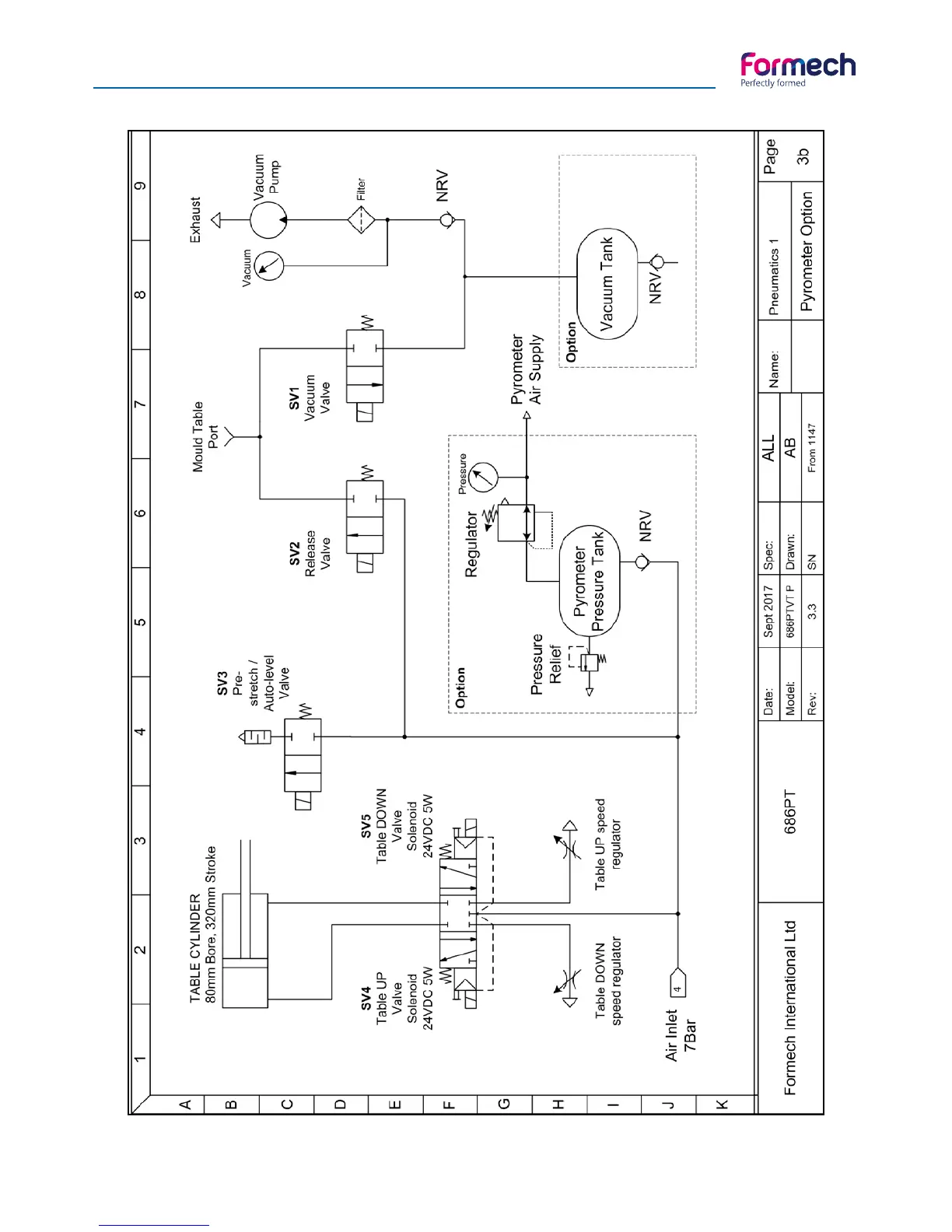
P3b. 686 PT Pneumatics

Table of Contents

Other manuals for Formech 686

Related product manuals