EasyManua.ls Logo

Frymaster OCF30E - Main Wiring Harnesses

Frymaster OCF30E
68 pages
Print Icon
To Next Page IconTo Next Page
To Next Page IconTo Next Page
To Previous Page IconTo Previous Page
To Previous Page IconTo Previous Page
Loading...
2-18
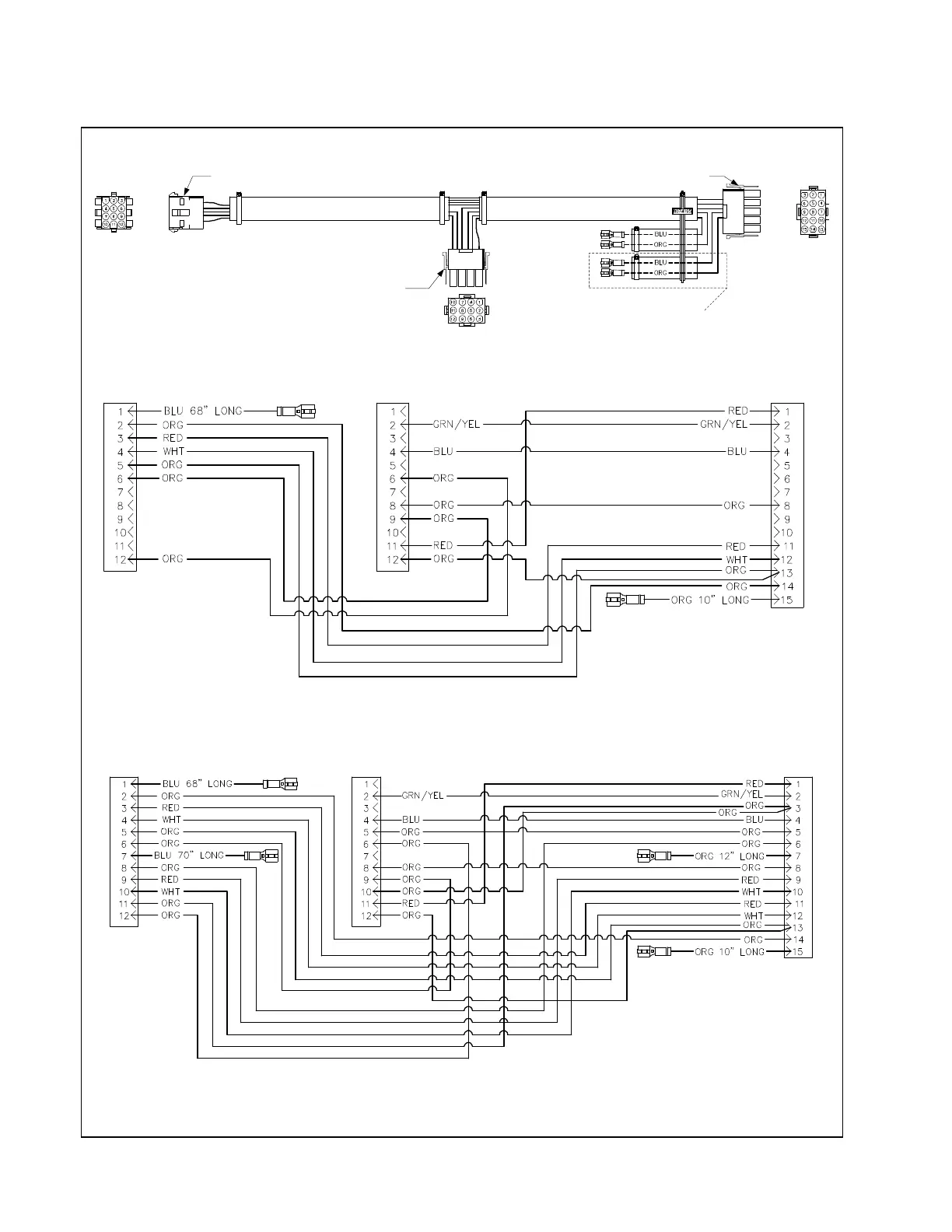
2.5.8.5 Main Wiring Harnesses
USED ONLY ON
DUAL VAT
HARNESSES
J4
C1C6
C6
C1
J4
J4C1C6
FULL VAT HARNESS
807-4194
DUAL VAT HARNESS
807-4195
12-Pin Female Connector
807-0159 (Rear of Fryer)
15-Pin Male Connector
807-0804 (Rear of Component Box)
12-Pin Male Connector
807-0160 (Contactor Box)

Table of Contents

Related product manuals