EasyManua.ls Logo

GE GHDS830EDWS - Heater Resistance Measurement; Electric Dryer Heater Resistance Check

GE GHDS830EDWS
54 pages
Print Icon
To Next Page IconTo Next Page
To Next Page IconTo Next Page
To Previous Page IconTo Previous Page
To Previous Page IconTo Previous Page
Loading...
– 43 –
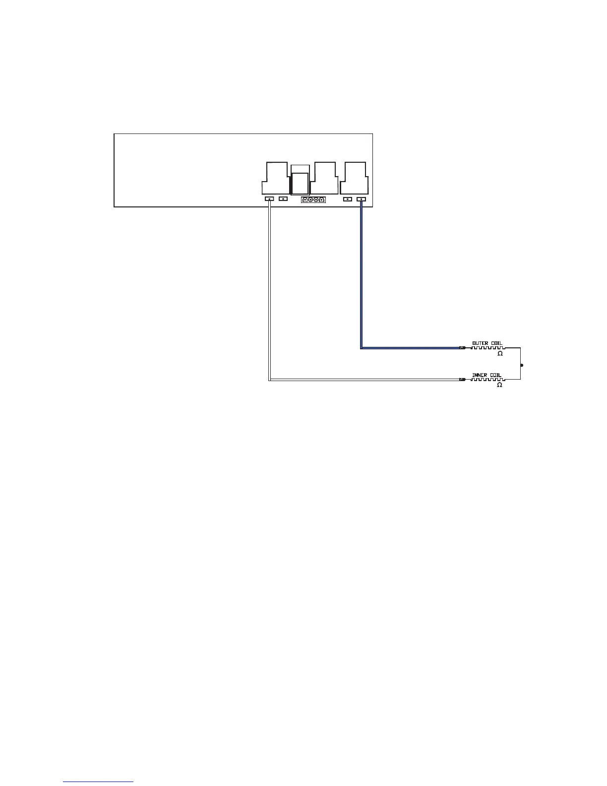
Electric Dryer Heater Resistance
Disconnect power from the dryer. Check from the J7 to the J2 connector on the board. Set your meter to
resistance setting.
Check resistance between the BLUE wire on J2 and the WHITE wire on the J7 connector. Should read
approximately 41.9 OHM.
Y-14
N-14
POWER BOARD
J5 J4 J2J7 J6
K4
K1
K3
K2
1
Y-14
N-14
(21.18-19.95
)
SEE NOTE 1
SEE NOTE 1
(21.18-19.95
)
(Continued Next Page)
Note 1: This wire marked as (Y) yellow might be (W) white in some units.

Related product manuals