EasyManua.ls Logo

GE GHDS830EDWS - Specialized Electric Schematics; Long Vent and Mist Electric Schematics

GE GHDS830EDWS
54 pages
Print Icon
To Next Page IconTo Next Page
To Next Page IconTo Next Page
To Previous Page IconTo Previous Page
To Previous Page IconTo Previous Page
Loading...
– 49 –
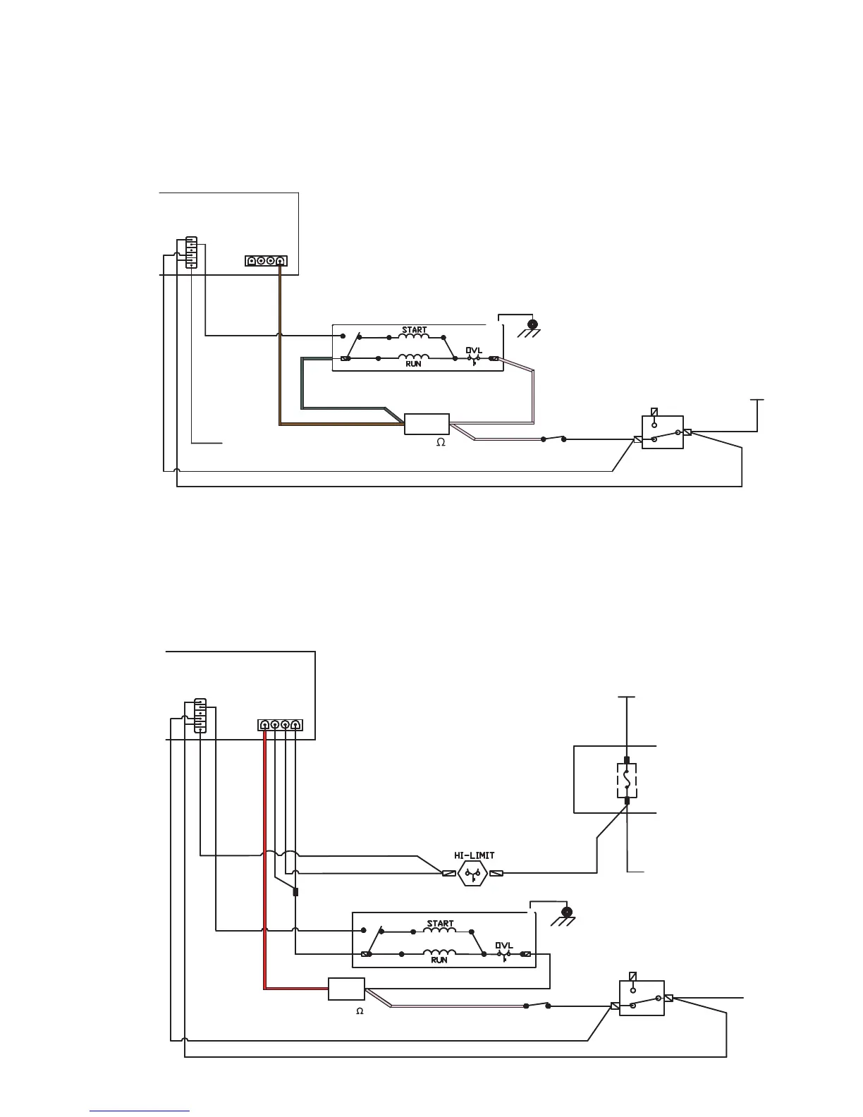
Electric Dryer Long Vent and Mist Schematics
Long Vent Schematic
DIAGRAM BELOW SHOWS CONNECTIONS FOR LONG VENT MODELS. THIS DIAGRAM SHOWS ONLY
CONNECTION OF DRUM MOTOR, LONG VENT MOTOR, DOOR SWITCH AND IDLER SWITCH. ALL OTHER
COMPONENTS ARE CONNECTED AS SHOWN IN ELECTRIC MODEL SCHEMATIC.
Mist Schematic
DIAGRAM BELOW SHOWS CONNECTIONS FOR MIST MODELS. THIS DIAGRAM SHOWS ONLY CONNECTION OF
DRUM MOTOR, WATER VALVE, MOTOR, DOOR SWITCH, IDLER SWITCH, HI LIMIT THERMOSTAT AND CCMR FUSE.
ALL OTHER COMPONENTS ARE CONNECTED AS SHOWN IN ELECTRIC MODEL SCHEMATIC.
L1
N
R-18
B-18
WATER
VALVE
FUSE
CCMR
O-18
O-18
O-18
O-18
B-18
J5
1
POWER BOARD
C-18
W-18
R-14
R-18
5
6
4
G
B-18
DRUM MOTOR SHOWN STOPPED
CHASSIS
BASE
GY-14
S-20
S-20
IDLER
SWITCH
C-18
DOOR SWITCH
SHOWN
DOOR CLOSED
(NOT USED)
C-18
C-18
W-18
W-18
R-14
TO OUTLET
CONTROL BACKUP
J8
1
(533-590
)
R-18
P-18
3
NC
NO
COM
N
5
6
4
G
S-20
B-18
DRUM MOTOR SHOWN STOPPED
CHASSIS
BASE
GY-14
IDLER
SWITCH
C-18
DOOR SWITCH
SHOWN
DOOR CLOSED
(NOT USED)
W-18
C-18
W-18
BLOWER
MOTOR
P-18
P-18
S-18
S-18
J5
1
POWER BOARD
C-18
B-18
P-18
J8
1
O-18
W-18
S-20
TO HI LIMIT
(14.25-15.75 )
3
NC
NO
COM
(Continued Next Page)

Related product manuals