EasyManua.ls Logo

GE GHDS830EDWS - Gas Dryer AC Voltage Check; Gas Dryer AC Voltage to Board

GE GHDS830EDWS
54 pages
Print Icon
To Next Page IconTo Next Page
To Next Page IconTo Next Page
To Previous Page IconTo Previous Page
To Previous Page IconTo Previous Page
Loading...
– 53 –
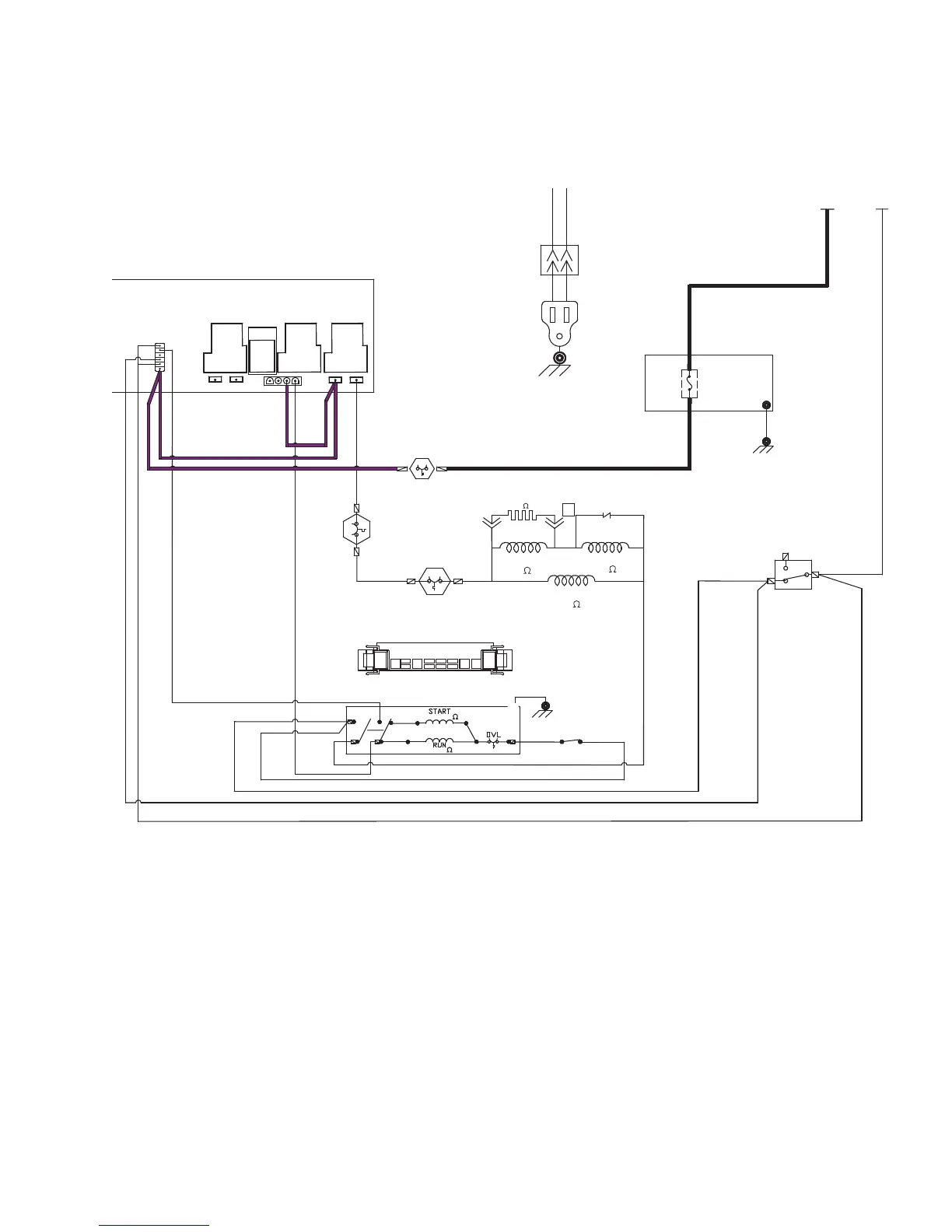
3
P
OWER BO
ARD
J8
J5 J4 J2J7 J6
1
K4
K1
K3
K2
1
FUSE
CCMR
B-18
W-18
B-18
GY-16
Y-18
P-18
P-18
V-18
V-18
V-18
Y-18
O-18
5
6
4
G
P-18
S-20
R-18
DRUM MOTOR SHOWN STOPPED
CHASSIS
BASE
GY-16
IDLER
SWITCH
C-18
V-18
R-18
TAB SEQUENCE
DRUM MOTOR
CONNECTOR
G
1
2
465
V-18
R-18
V-18
V-18
V-18
REAR
PANEL
CORD
SET
L1 N
W-18
B-18
B-18
B-18
DOOR SWITCH
SHOWN
DOOR CLOSED
(NOT USED)
C-18
C-18
W-18
W-18
2
1
C-18
C-18
C-18
(580 )
(1400
)
(30 A)
W-18
V-18
S-20
(40-400
)@75°F
3
(3.19-3.53
)
(2.98-3.30
)
R-18
SEE NOTE 2
SEE
NOTE 2
HI-LIMIT
OUTLET
CONTROL
BACKUP
IGNITOR
INLET-
SAFETY
FLAME DETECT
(1300 )
MAIN
BOOSTER
SAFETY
NC
NO
COM
L1
N
Gas Dryer AC Voltage to the Board

Related product manuals