EasyManua.ls Logo

GE GHDS830EDWS - Electrical Voltage Checks; Electric Dryer AC Voltage to Board

GE GHDS830EDWS
54 pages
Print Icon
To Next Page IconTo Next Page
To Next Page IconTo Next Page
To Previous Page IconTo Previous Page
To Previous Page IconTo Previous Page
Loading...
– 52 –
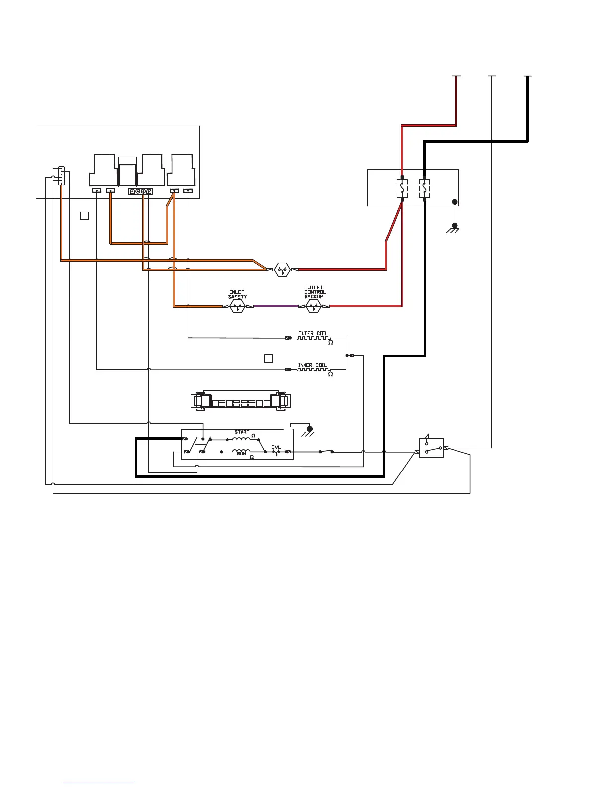
Electric Dryer AC Voltage to the Board and Motor Switch
(Continued Next Page)
L1 N L2
3
3
TAB SEQUENCE
DRUM MOTOR
CONNECTOR
Y-14
N-14
V-14
B-14
S-20
B-18
G
1
2
4
6
5
POWER BOARD
J8
J5 J4 J2J7 J6
1
K4
K1
K3
K2
1
FUSE
CCMR
B-14
FUSE
CCMR
R-14
W-18
O-14
V-14
R-18
R-14
DOOR SWITCH
SHOWN
DOOR CLOSED
(NOT USED)
W-18
C-18
S-20
Y-14
O-14
O-18
R-18
O-14
R-14
B-14
R-14
GY-14
N-14
O-18
W-18
C-18
O-18
O-18
B-18
W-18
V-14
5
6
4
G
P-18
DRUM MOTOR SHOWN STOPPED
CHASSIS
BASE
GY-14
IDLER
SWITCH
C-18
2
1
B-14
C-18
(21.18-19.95
)
(21.18-19.95
)
(30 A)
(30 A)
(3.19-3.53
)
(2.98-3.30
)
O-14
3
SEE NOTE 1
SEE NOTE 1
HI-LIMIT
NC
NO
COM
Note: Board neutral is the white wire on J8.

Related product manuals