EasyManua.ls Logo

GE GHDS830EDWS - Specialized Gas Schematics; Long Vent and Mist Gas Schematics

GE GHDS830EDWS
54 pages
Print Icon
To Next Page IconTo Next Page
To Next Page IconTo Next Page
To Previous Page IconTo Previous Page
To Previous Page IconTo Previous Page
Loading...
– 51 –
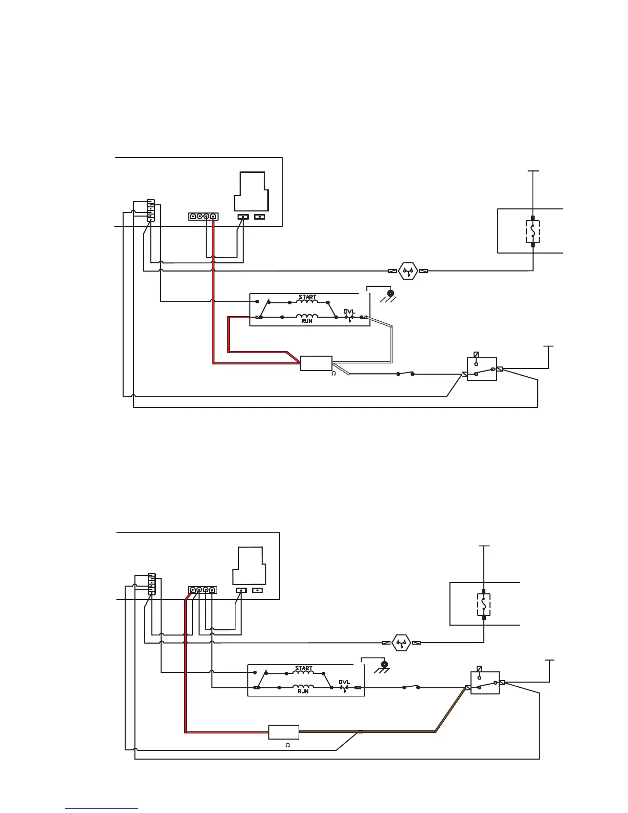
Gas Dryer Long Vent and Mist Schematics
Long Vent Schematic
DIAGRAM BELOW SHOWS CONNECTIONS FOR LONG VENT MODELS. THIS DIAGRAM SHOWS ONLY
CONNECTION OF DRUM MOTOR, LONG VENT MOTOR, DOOR SWITCH AND IDLER SWITCH. ALL OTHER
COMPONENTS ARE CONNECTED AS SHOWN IN GAS MODEL SCHEMATIC.
Mist Schematic
DIAGRAM BELOW SHOWS CONNECTIONS FOR MIST MODELS. THIS DIAGRAM SHOWS ONLY CONNECTION OF
DRUM MOTOR, WATER VALVE, MOTOR, DOOR SWITCH, IDLER SWITCH, HI LIMIT THERMOSTAT AND CCMR FUSE.
ALL OTHER COMPONENTS ARE CONNECTED AS SHOWN IN GAS MODEL SCHEMATIC.
5
6
4
G
S-20
R-18
DRUM MOTOR SHOWN STOPPED
CHASSIS
BASE
GY-16
IDLER
SWITCH
C-18
DOOR SWITCH
SHOWN
DOOR CLOSED
(NOT USED)
W-18
C-18
W-18
BLOWER
MOTOR
P-18
P-18
R-18
R-18
J5
1
POWER BOARD
R-18
P-18
J8
1
C-18
W-18
J4
J2
K3
V-18
V-18
S-20
V-18
V-18
V-18
B-18
FUSE
CCMR
B-18
(14.25-15.75)
3
V-18
HI-LIMIT
NC
NO
COM
L1
N
5
6
4
G
S-20
R-18
DRUM MOTOR SHOWN STOPPED
CHASSIS
BASE
GY-16
IDLER
SWITCH
C-18
DOOR SWITCH
SHOWN
DOOR CLOSED
(NOT USED)
W-18
C-18
W-18
WATER
VALVE
C-18
R-18
J5
1
POWER BOARD
R-18
J8
1
C-18
W-18
J4
J2
K3
V-18
V-18
S-20
V-18
V-18
V-18
B-18
FUSE
CCMR
B-18
R-18
V-18
V-18
P-18
C-18
(533-590)
3
V-18
NC
NO
COM
HI-LIMIT
L1
N
(Continued Next Page)

Related product manuals