EasyManua.ls Logo

GE M60 - Page 336

GE M60
676 pages
Print Icon
To Next Page IconTo Next Page
To Next Page IconTo Next Page
To Previous Page IconTo Previous Page
To Previous Page IconTo Previous Page
Loading...
5-128 M60 MOTOR PROTECTION SYSTEM – INSTRUCTION MANUAL
PRODUCT SETUP CHAPTER 5: SETTINGS
5
When set to "High Priority", the duration of the off message is as specified by the FLASH MESSAGE TIME setting, but the on
message is displayed as long as the user-programmable pushbutton is activated. While activated, target and other
messages are suppressed. To allow front panel keypad operation, when a keypad button is pressed the message is
supressed for 10 seconds.
PUSHBUTTON 1 EVENTS — If this setting is enabled, each user-programmable pushbutton state change is logged as an
event into the event recorder.
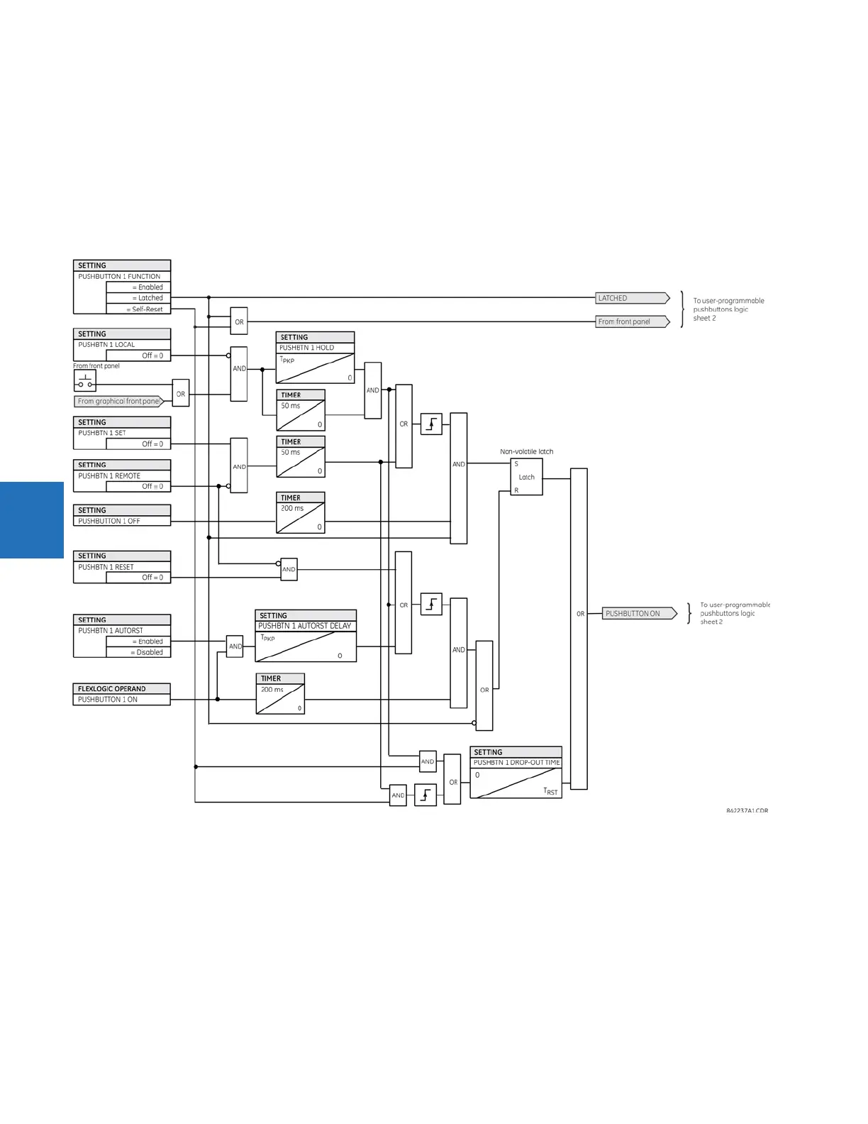
The figures show the user-programmable pushbutton logic.
Figure 5-57: User-programmable pushbutton logic (Sheet 1 of 2)

Table of Contents

Related product manuals