EasyManua.ls Logo

GE M60 - Page 360

GE M60
676 pages
Print Icon
To Next Page IconTo Next Page
To Next Page IconTo Next Page
To Previous Page IconTo Previous Page
To Previous Page IconTo Previous Page
Loading...
5-152 M60 MOTOR PROTECTION SYSTEM – INSTRUCTION MANUAL
SYSTEM SETUP CHAPTER 5: SETTINGS
5
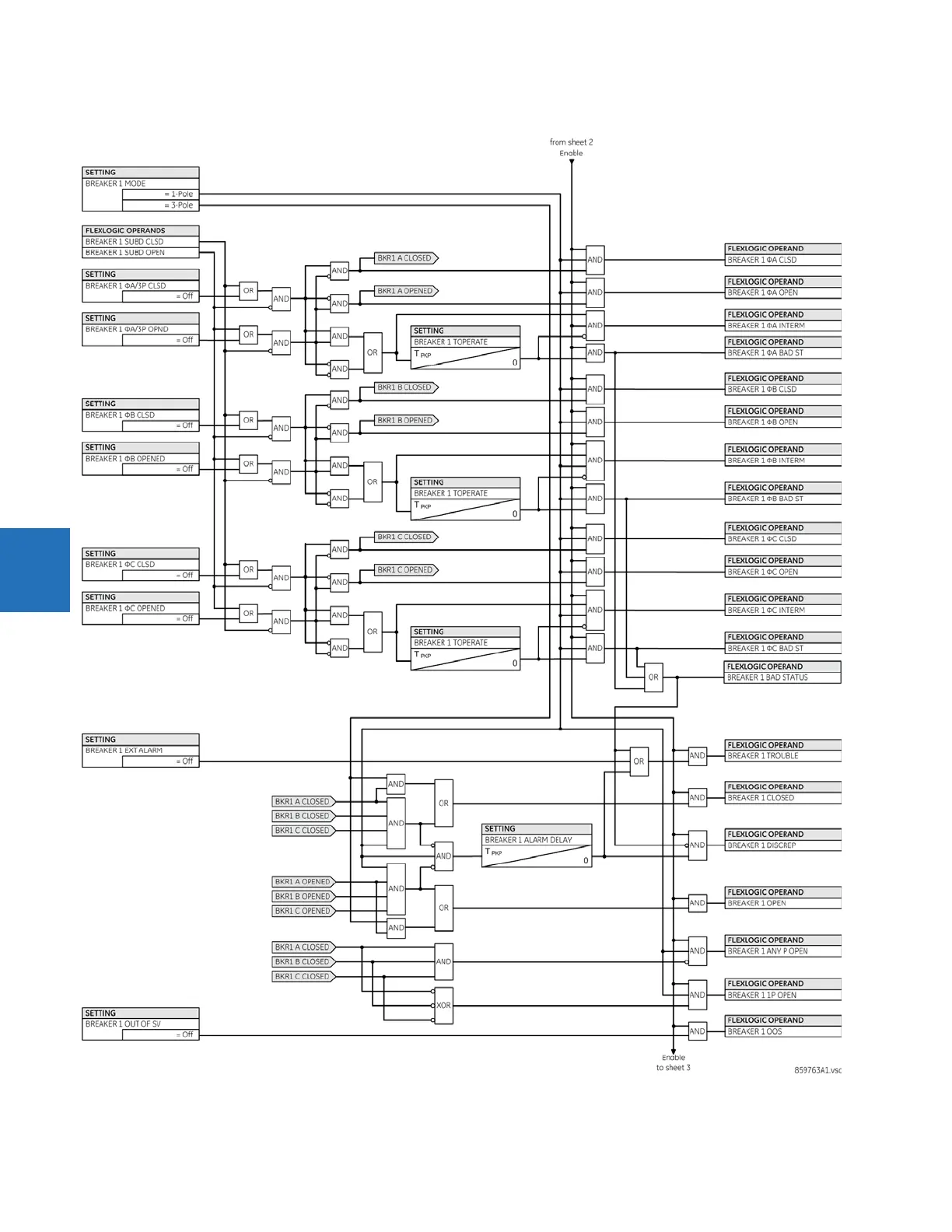
Figure 5-70: Dual breaker control logic (Sheet 2 of 3)

Table of Contents

Related product manuals