EasyManua.ls Logo

GE M60 - Page 476

GE M60
676 pages
Print Icon
To Next Page IconTo Next Page
To Next Page IconTo Next Page
To Previous Page IconTo Previous Page
To Previous Page IconTo Previous Page
Loading...
5-268 M60 MOTOR PROTECTION SYSTEM – INSTRUCTION MANUAL
GROUPED ELEMENTS CHAPTER 5: SETTINGS
5
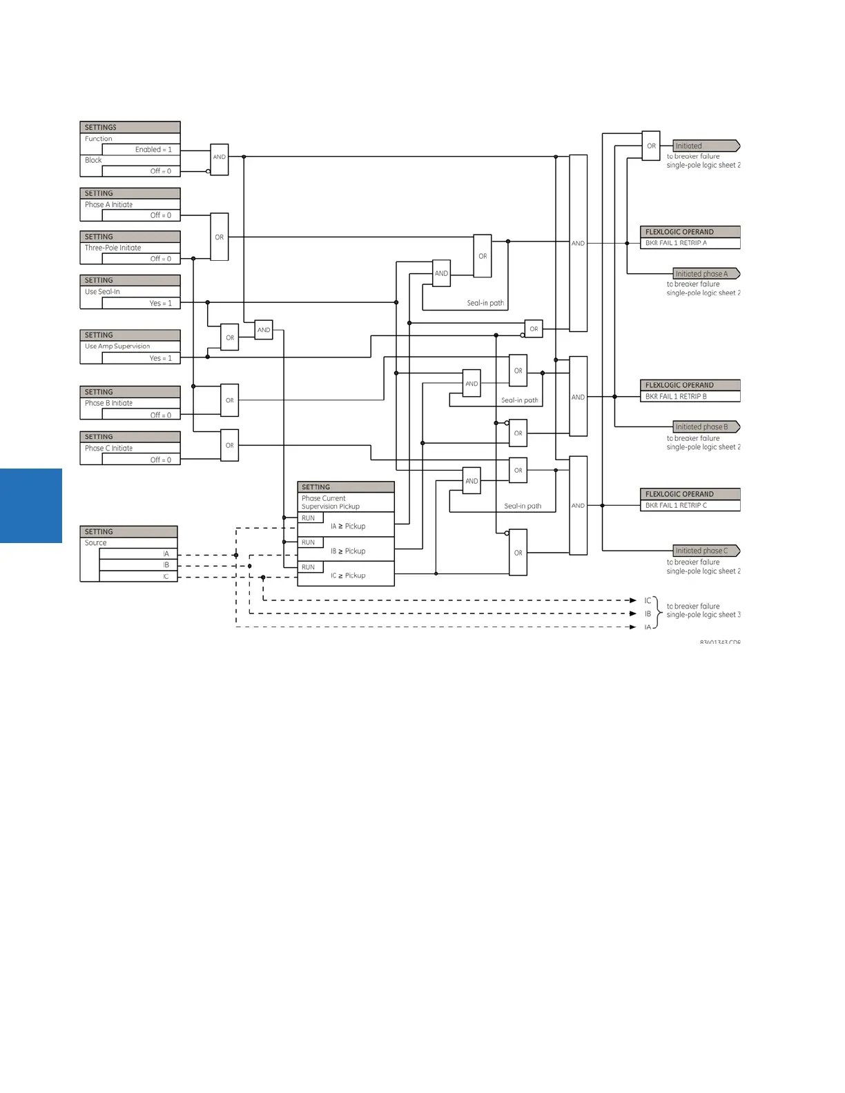
Figure 5-144: Single-pole breaker failure initiate logic

Table of Contents

Related product manuals