EasyManua.ls Logo

Haas VF-1 - Page 495

Haas VF-1
564 pages
To Next Page IconTo Next Page
To Next Page IconTo Next Page
To Previous Page IconTo Previous Page
To Previous Page IconTo Previous Page
Loading...
Assembly Drawings
June 1999
495
96-8000
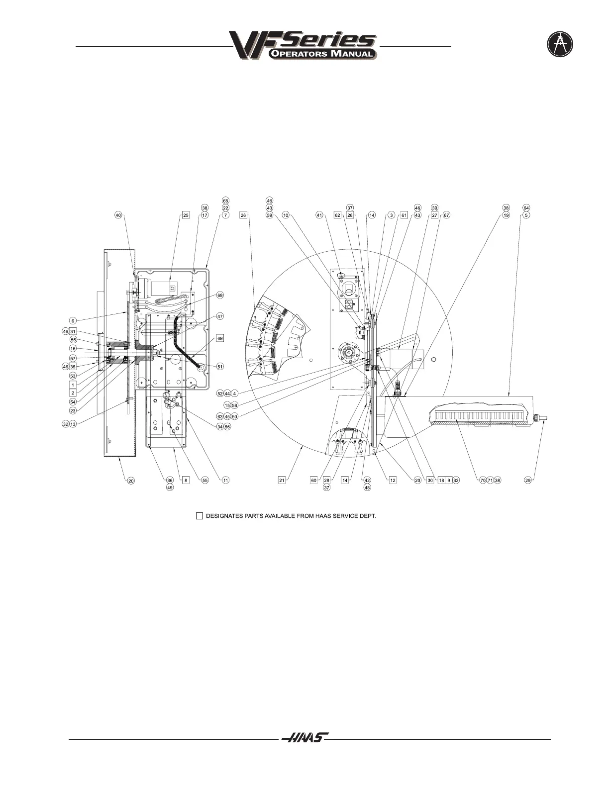
Tool Changer Assembly VF-3/4

Table of Contents

Related product manuals