EasyManua.ls Logo

Holtek BS66F340 - I;O Pin Structures

Default Icon
242 pages
Print Icon
To Next Page IconTo Next Page
To Next Page IconTo Next Page
To Previous Page IconTo Previous Page
To Previous Page IconTo Previous Page
Loading...
Rev. 1.60 104 August 20, 2019 Rev. 1.60 105 August 20, 2019
BS66F340/BS66F350/BS66F360/BS66F370
Touch A/D Flash MCU with LED Driver
BS66F340/BS66F350/BS66F360/BS66F370
Touch A/D Flash MCU with LED Driver
IFS Register
Bit 7 6 5 4 3 2 1 0
Name IFS5 IFS4 IFS3 IFS2 IFS1 IFS0
R/W R/W R/W R/W R/W R/W R/W
POR 0 0 0 0 0 0
Bit 7~6 Unimplemented, read as "0"
Bit 5~4 IFS5~IFS4: SCS
input source pin selection
00/10: PA2
01/11: PA3
Bit 3~2 IFS3~IFS2: PTPI input source pin selection
00/10: PB2
01/11: PB4
Bit 1~0 IFS1~IFS0: STPI input source pin selection
00/01: PE2
01/11: PE3
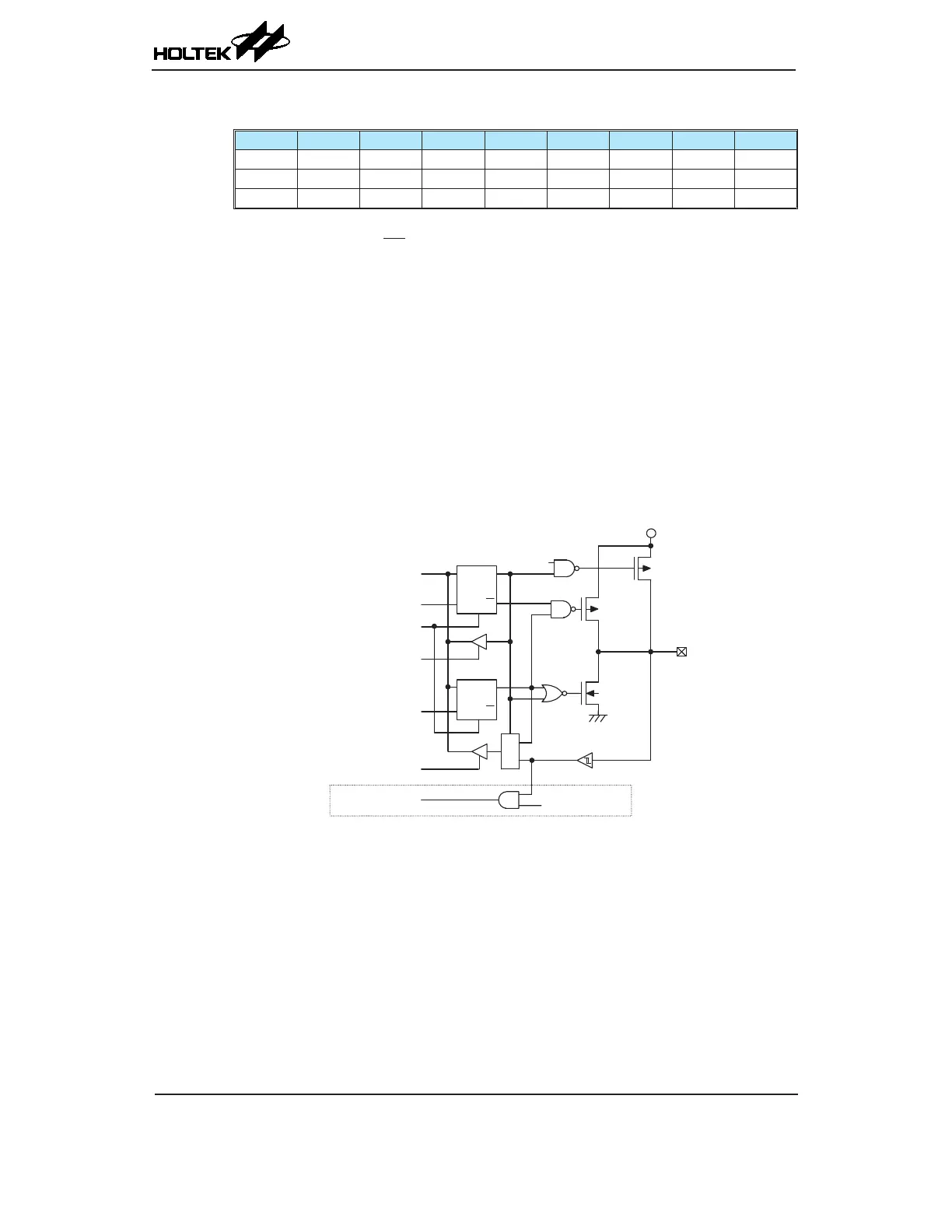
I/O Pin Structures
The accompanying diagrams illustrate the internal structures of some generic I/O pin types. As
the exact logical construction of the I/O pin will differ from these drawings, they are supplied as a
guide only to assist with the functional understanding of the I/O pins. The wide range of pin-shared
structures does not permit all types to be shown.

  
  
  


 
  
  
  

   
  
  
  
 

 
 

 
Generic Input/Output Structure

Table of Contents

Related product manuals