EasyManua.ls Logo

Horton 4100-PLUS - Page 71

Horton 4100-PLUS
94 pages
Print Icon
To Next Page IconTo Next Page
To Next Page IconTo Next Page
To Previous Page IconTo Previous Page
To Previous Page IconTo Previous Page
Loading...
30
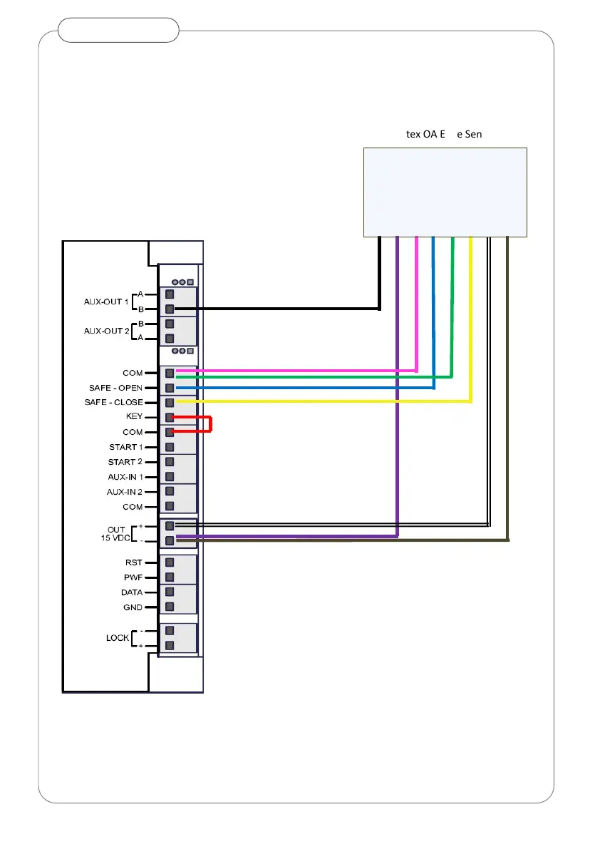
Opening and closing face safety
Optex OA Edge Sensor
Test +
Test
Com
Opening face
Com
Close face
Power +
Power
WHITE +V
BLACK
VIOLET
BLUE
GREEN
YELLOW
PINK
BROWN -0V