EasyManua.ls Logo

Huawei UPS2000-G - Page 73

Huawei UPS2000-G
186 pages
Print Icon
To Next Page IconTo Next Page
To Next Page IconTo Next Page
To Previous Page IconTo Previous Page
To Previous Page IconTo Previous Page
Loading...
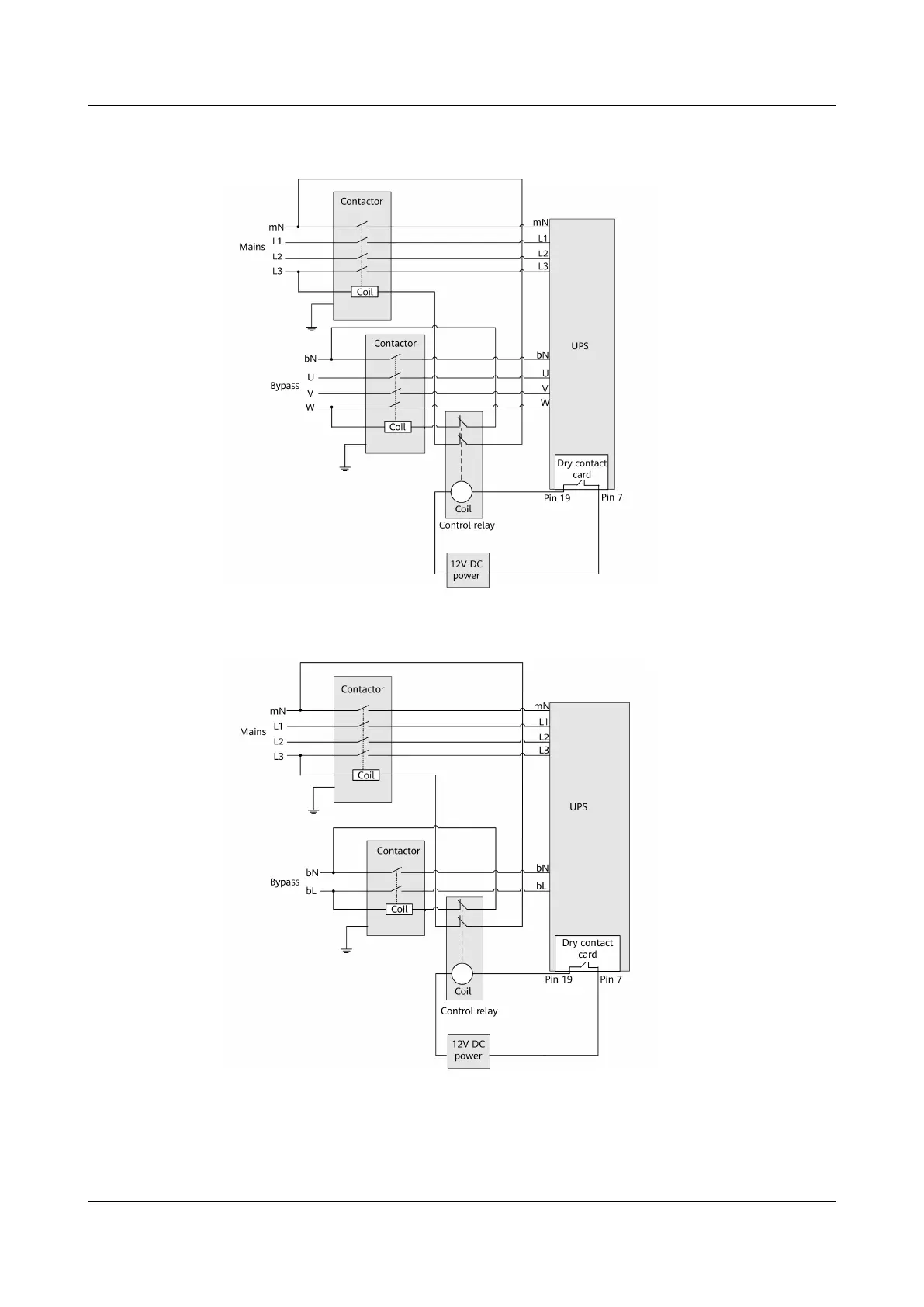
Figure 4-9 Bypass backfeed protection connections for the UPS2000-G-15 kVA/20
kVA (three-phase input three-phase output)
Figure 4-10 Bypass backfeed protection connections for the UPS2000-G-15
kVA/20 kVA (three-phase input single-phase output)
UPS2000-G-(6 kVA–20 kVA)
User Manual (Lead-Acid Battery) 4 Installation
Issue 23 (2024-03-15) Copyright © Huawei Digital Power Technologies Co., Ltd. 65

Table of Contents

Related product manuals