EasyManua.ls Logo

Huawei UPS2000-G - Feedback Prevention Connections (with Dry Contract Control)

Huawei UPS2000-G
186 pages
Print Icon
To Next Page IconTo Next Page
To Next Page IconTo Next Page
To Previous Page IconTo Previous Page
To Previous Page IconTo Previous Page
Loading...
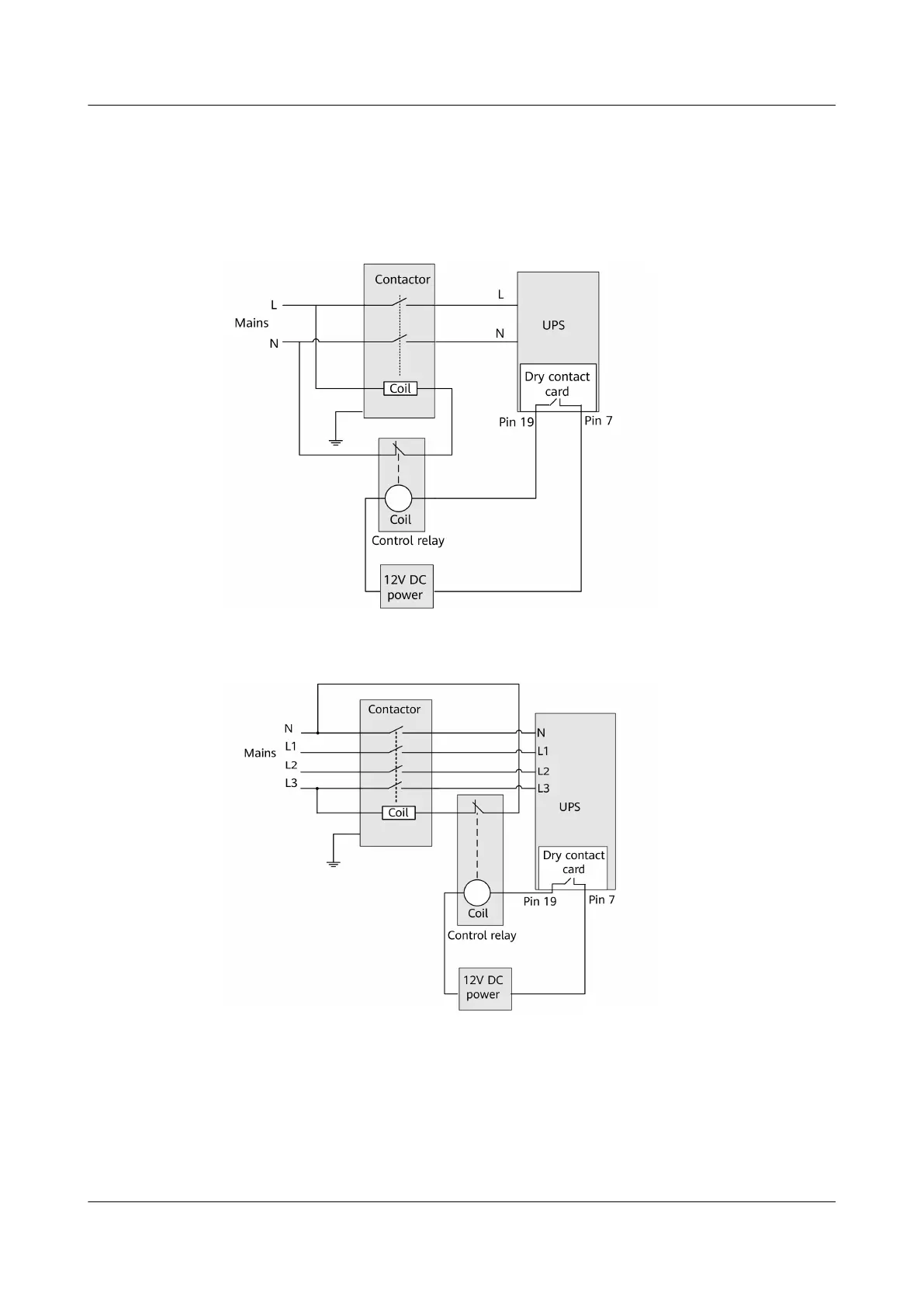
4.3.2 Feedback Prevention Connections (With Dry Contract
Control)
Figure 4-7 Bypass backfeed protection connections for the UPS2000-G-6 kVA/10
kVA/15 kVA/20 kVA (single-phase input single-phase output)
Figure 4-8
Bypass backfeed protection connections for the UPS2000-G-10 kVA
(three-phase input single-phase output)
UPS2000-G-(6 kVA–20 kVA)
User Manual (Lead-Acid Battery) 4 Installation
Issue 23 (2024-03-15) Copyright © Huawei Digital Power Technologies Co., Ltd. 64

Table of Contents

Related product manuals