EasyManua.ls Logo

Hypertherm HyPerformance HPR130XD - Page 239

Hypertherm HyPerformance HPR130XD
302 pages
Print Icon
To Next Page IconTo Next Page
To Next Page IconTo Next Page
To Previous Page IconTo Previous Page
To Previous Page IconTo Previous Page
Loading...
7-7
17
18
16
14
15
13
9
10
8
7
5
6
4
12
3
2
1
11
3
6
5
4
2
1
1
4
5
6
2
3
6
3
5
4
2
1
J11 J2.11
J1 J2.1
J2.B
J4
ORN 240VAC
RED 120VAC
YEL 24 VAC
J15
J9
041802
POWER DISTRIBUTION
PCB2
1 2 21
J12
J13
120VAC HOT
120VAC RTN
24VAC
120VAC
240VAC
1
2
3
4
5
6
240VAC HOT
240VAC RTN
1
2
J8
J2.8
PHASE LOSS OUTPUT
1A
1B
1C
J2.15
6
5
3
4
2
J14
1
J7
1 2
J2
1 2
J2.12
J2.13
J2.2
J2.7
J2.14
+5V
-15V
+5V COM
+15V
+/-15V COM
+24V
+24V COM
24VAC HOT
24VAC RTN
COM
240VAC
-
LINE VOLTAGE OUTPUT
24VAC
+
-
PUMP MOTOR
+
COM
COM
PUMP MOTOR CNTRL
REMOTE ON/OFF
SIGNAL
BLK
WHT
1 2
1
2
WHT
BLU
WHT
BLU
RED
WHT
BLU
WHT
RED/BLK
RED/BLK
RED
RED
5
6
7
FAN
BLK
WHT
6 RED
7 RED/BLK
BLU
WHT
BLU
WHT
RED
BLK
YEL
BLK
BLK
BLK
RED/BLK
RED
RED/BLK
RED
RED/BLK
RED
2
2
1
1
BLK
WHT
CLT SOL
HF
4
RED/BLK
RED
3
2
1
RED/BLK
RED
AC PWR LT
TB2
J8
J5
K1
K2
F3
F1
F4
F2
RED/BLK
RED
8
FAN 2 CLT
F5
F6
F7
D3 120VAC
D26 Pump motor signal
D12 24VAC
D32 -15V
D23 240VAC
D31 +5V
D25 +24V
D33 +15V
7
8
D1 CONTACTOR
D2 PILOT ARC RELAY
D5 HV XFMR
D7 SURGE SELECT
J2.3
J3
2
1
3
4
5
6 11
10
9
8
7
12
8
7
J2.5
5
6
4
2
3
1
J5
12
11
10
9
+
+
+
+
CONTACTOR
PILOT ARC RELAY
HV XFMR
SURGE SELECT
120VAC RTN
SS
CON
PAR
HF
RED
RED/BLK
RED
RED/BLK
RED/BLK
RED
WHT
BLU
WHT
BLU
WHT
BLU
PHASE LOSS INPUT
BLU
WHT
RED
RED/BLK
9
10
FAN 1
REMOTE ON/OFF
7
WHT
6
5
RED
1
2
3
4
RED
RED/BLK
RED/BLK
RED
1X3
WHT
GRN
BLK
CABLE: 123670
FAN 1 CLT
CHP CHP
FAN 2
CABLE: 123674
1X1
DC POWER
OUTPUTS
240VAC HOT
AC1
AC2
K3
+
U5
CHOPPER
POWER
START CIRCUIT
POWER
AUTO GAS
CONSOLE POWER
FLS POWER
-
21
J13
ORN 240VAC
RED 120VAC
YEL 24VAC
1
4
5
6
2
3
J2.4
J2.A
WHT
RED
HARNESS: 229329
FOR ARCGLIDE THC ONLY
WHT
RED
HARNESS: 229329
FOR ARCGLIDE THC ONLY
PUMP MTR FAN
415V ONLY
HARNESS
229204
A
B
C
4
3 2
D
4
3 2
1
A
B
C
1
D
SHEET
4-B4
O
SHEET
5-D4
R
SHEET
2-C3
B
SHEET
2-D2
E
SHEET
2-A1
I
1 2 3 4 5 6 7
521 3 4 76
SHEET
2-D4
K
SHEET
2-D1
L
SHEET
4-B4
S
SHEET
2-A1
M
SHEET
4-C1
Q
SHEET
4-C4
T
SHEET
4-D1
V
SHEET
16-D3
W
SHEET
10-A4
U
SHEET
2-A4
F
SHEET
9-D4
BC
SHEET
9-B4
BD
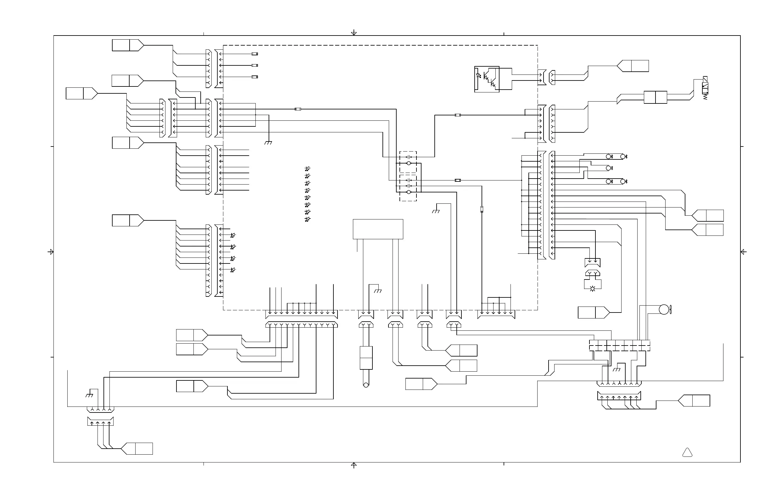
ELEC SCH:HPR130XD POWER SUPPLY W/AUTO
D
013376
SHEET 3 OF 22

Table of Contents

Related product manuals