EasyManua.ls Logo

Hypertherm HyPerformance HPR130XD - Page 241

Hypertherm HyPerformance HPR130XD
302 pages
Print Icon
To Next Page IconTo Next Page
To Next Page IconTo Next Page
To Previous Page IconTo Previous Page
To Previous Page IconTo Previous Page
Loading...
7-9
041993
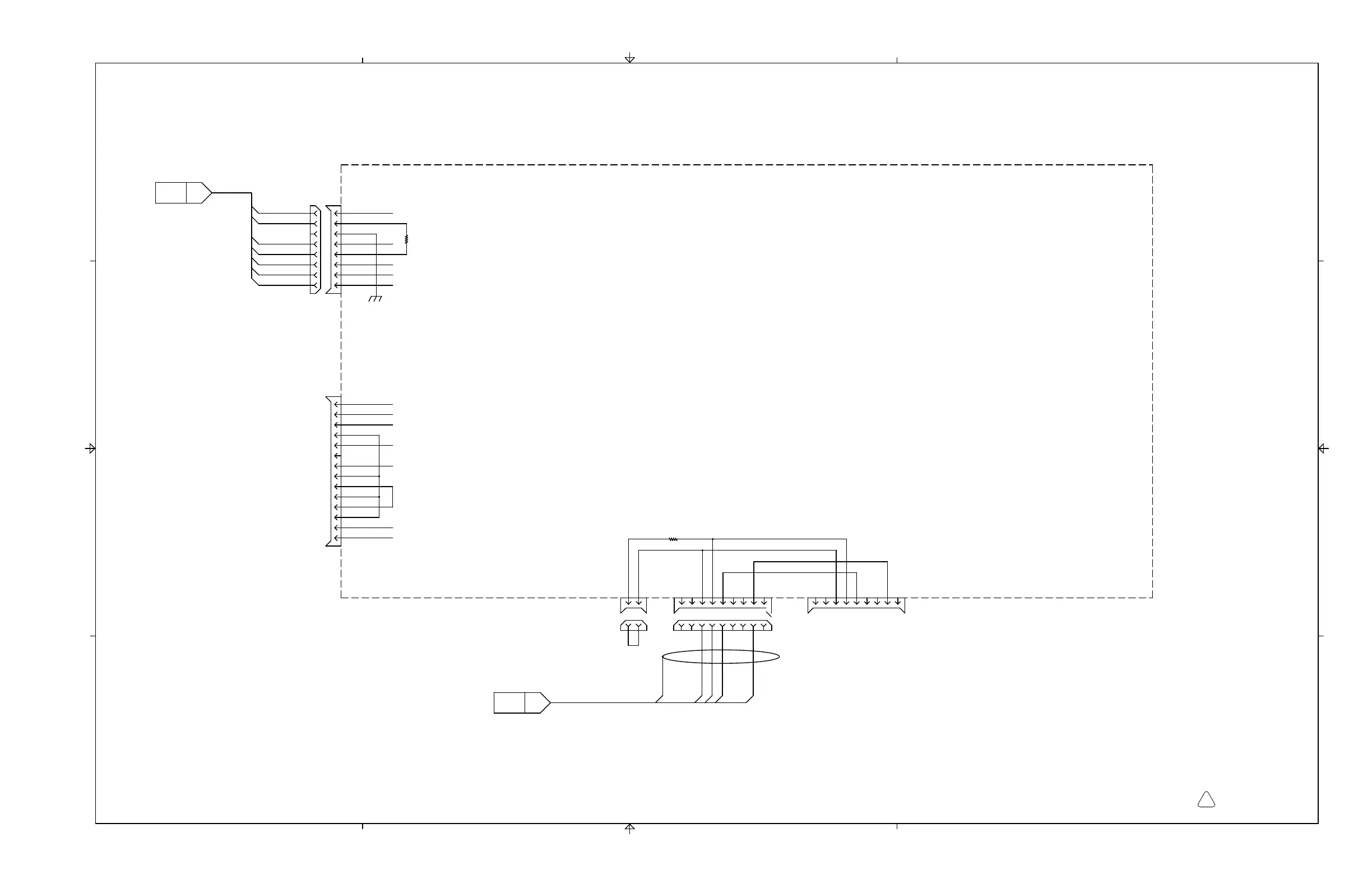
POWER SUPPLY CONTROL
PCB3
14
13
12
11
10
8
9
7
5
6
4
2
3
1
J110
2
5
4
6
8
7
1
3
J3.105 J105
3
8
9
4
5
2
7
6
1
J103
1
J102
6
2
7
3
9
8
4
5
J 101
1
2
BLU
WHT
BLU
WHT
RED
BLK
YEL
+24V
PWR GND
+5V
GND
+15V
-15V
COM
TMS
TRST\
TDI
COM
+5V
TDO
TCK
EMU0
EMU1
J TAG
CAN GND
CAN +24V
CANL
CANH
121
CANA
CANB
0
CABLE: 123691
J3.101
RED
BLK
RED
BLK
SHIELD
A
B
C
4
3 2
D
4
3 2
1
A
B
C
1
D
SHEET
3-D4
R
SHEET
11-A3
X
ELEC SCH:HPR130XD POWER SUPPLY W/AUTO
D
013376
SHEET 5 OF 22

Table of Contents

Related product manuals