EasyManua.ls Logo

Hypertherm HyPerformance HPR130XD - Page 253

Hypertherm HyPerformance HPR130XD
302 pages
Print Icon
To Next Page IconTo Next Page
To Next Page IconTo Next Page
To Previous Page IconTo Previous Page
To Previous Page IconTo Previous Page
Loading...
7-21
A
4
B
3
C
D
4
3
2 1
A
B
2
1
C
D
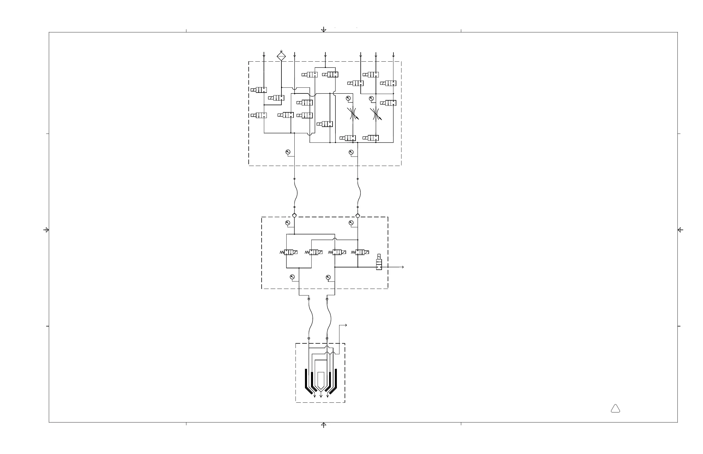
Air
N2
H5
H35
F5
Ar
Cut Gas 1
Cut Gas 2
Selection
O2
V1
V2
V3
V4
V5
V6
V7
V8
V9
V10
V11
V12
V13
V14
P1
P2
P3
P4
MV1
MV2
B1
B2
B4
P5
P6
P7 P8
V16
B3
Vent
Metering
Torch
Vent
HPR130 Auto
Console
V15
5 Micron Filter
Gas Schematic
Console
Shield
Plasma
ELEC SCH:HPR130XD POWER SUPPLY W/AUTO
D
013376
SHEET 17 OF 22

Table of Contents

Related product manuals