EasyManua.ls Logo

Icom IC-80AD - Scan types

Icom IC-80AD
188 pages
Print Icon
To Next Page IconTo Next Page
To Next Page IconTo Next Page
To Previous Page IconTo Previous Page
To Previous Page IconTo Previous Page
Loading...
94
9
MEMORY/CALL CHANNELS
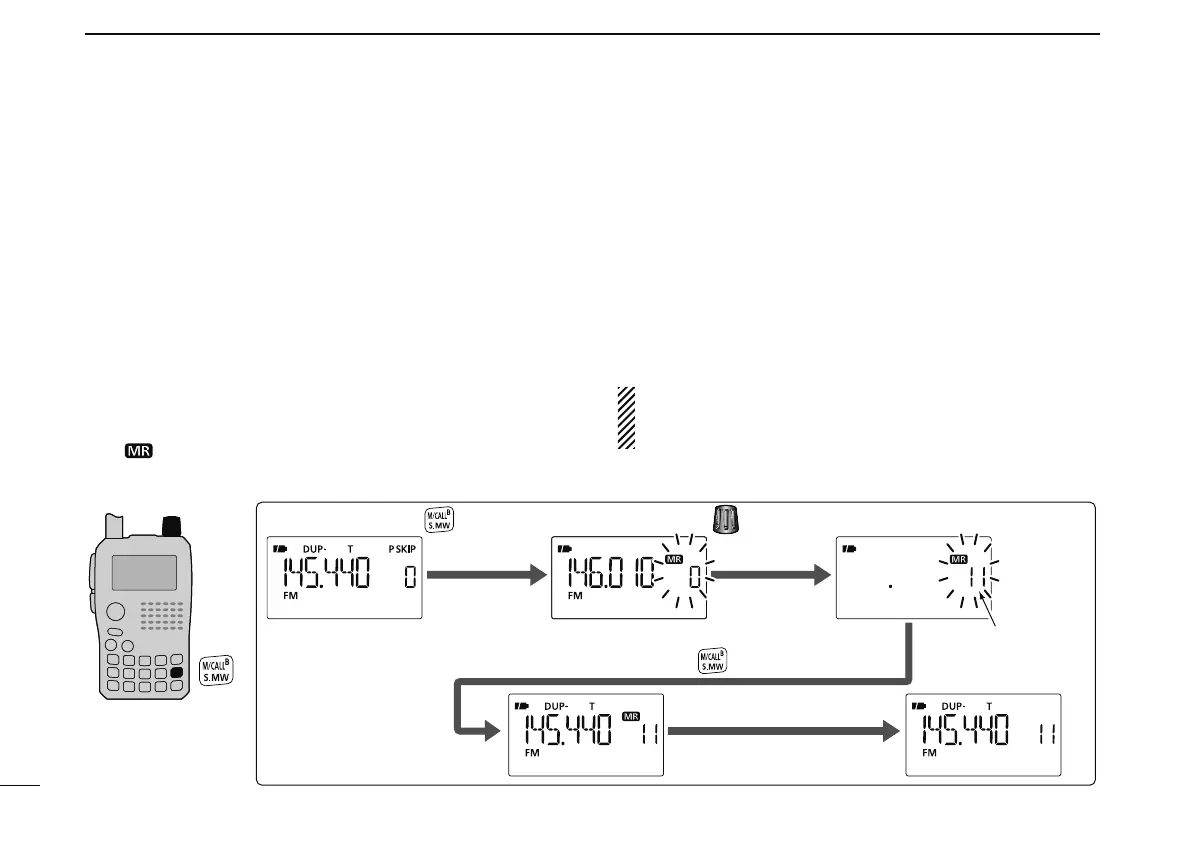
q Push [V/MHz] to select VFO mode.
w Set the desired frequency:
± Select the desired band with [BAND].
± Set the desired frequency with [DIAL].
± Or set the desired frequency with keypad directly.
In this case, the band and frequency settings with
[BAND] and [DIAL] as above are not required.
± Set other data (e.g. offset frequency, duplex direction,
tone squelch, current call signs, etc.), if desired.
e Push and hold [S.MW](M/CALL) for 1 sec. to enter select
memory write mode.
• 1 short and 1 long beep sound.
• “
indication and memory channel number blink.
r Rotate [DIAL] to select the desired channel.
Call channels (C0, C1), VFO and scan edge channels (0A/0B
to 24A/24B), as well as regular memory channels, can be pro-
grammed in this way.
t Push and hold [S.MW](M/CALL) for 1 sec. to program.
• 3 beeps sound.
Memory channel number automatically increases when continu-
ing to push and hold [S.MW](M/CALL) for 1 sec. after program-
ming.
NOTE: Push [V/MHz] to cancel to program and exit select
memory write mode before memory programming is fin-
ished.
[DIAL]
VFO mode Enter select memory write mode.
to select channel 11.Rotate
Push and hold for 1 sec.
Channel 11
Return to the VFO mode.
Push and hold for 1 sec. to program.
[EXAMPLE]: Programming 145.440 MHz into memory channel 11 (blank channel).
N
Memory channel programming

Table of Contents

Other manuals for Icom IC-80AD

Related product manuals