EasyManua.ls Logo

Immergas MAGIS COMBO V2 - Audax Pro V2 (External Condensing Unit) Hydraulic Diagram

Immergas MAGIS COMBO V2
46 pages
Print Icon
To Next Page IconTo Next Page
To Next Page IconTo Next Page
To Previous Page IconTo Previous Page
To Previous Page IconTo Previous Page
Loading...
MAGIS COMBO V2
20
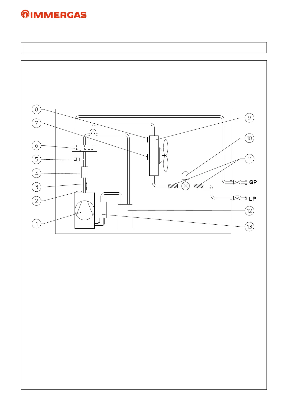
KEY:
1 - Compressor
2 - Compressor temperature
3 - Compressor outlet temperature
4 - Silencer
5 - High pressure switch
6 - 4-way valve
7 - Temperature of uid in nned coil
8 - External probe/installation room temperature
9 - Finned coil + fan
10 - Electronic expansion valve
11 - Dryer lter
12 - Liquid receiver
13 - Liquid separator
LP - Chiller line - liquid phase
GP - Chiller line - gaseous phase
15 AUDAX PRO V2 (EXTERNAL CONDENSING UNIT) HYDRAULIC DIAGRAM

Table of Contents

Related product manuals