EasyManua.ls Logo

Immergas MAGIS COMBO V2 - Page 32

Immergas MAGIS COMBO V2
46 pages
Print Icon
To Next Page IconTo Next Page
To Next Page IconTo Next Page
To Previous Page IconTo Previous Page
To Previous Page IconTo Previous Page
Loading...
MAGIS COMBO V2
32
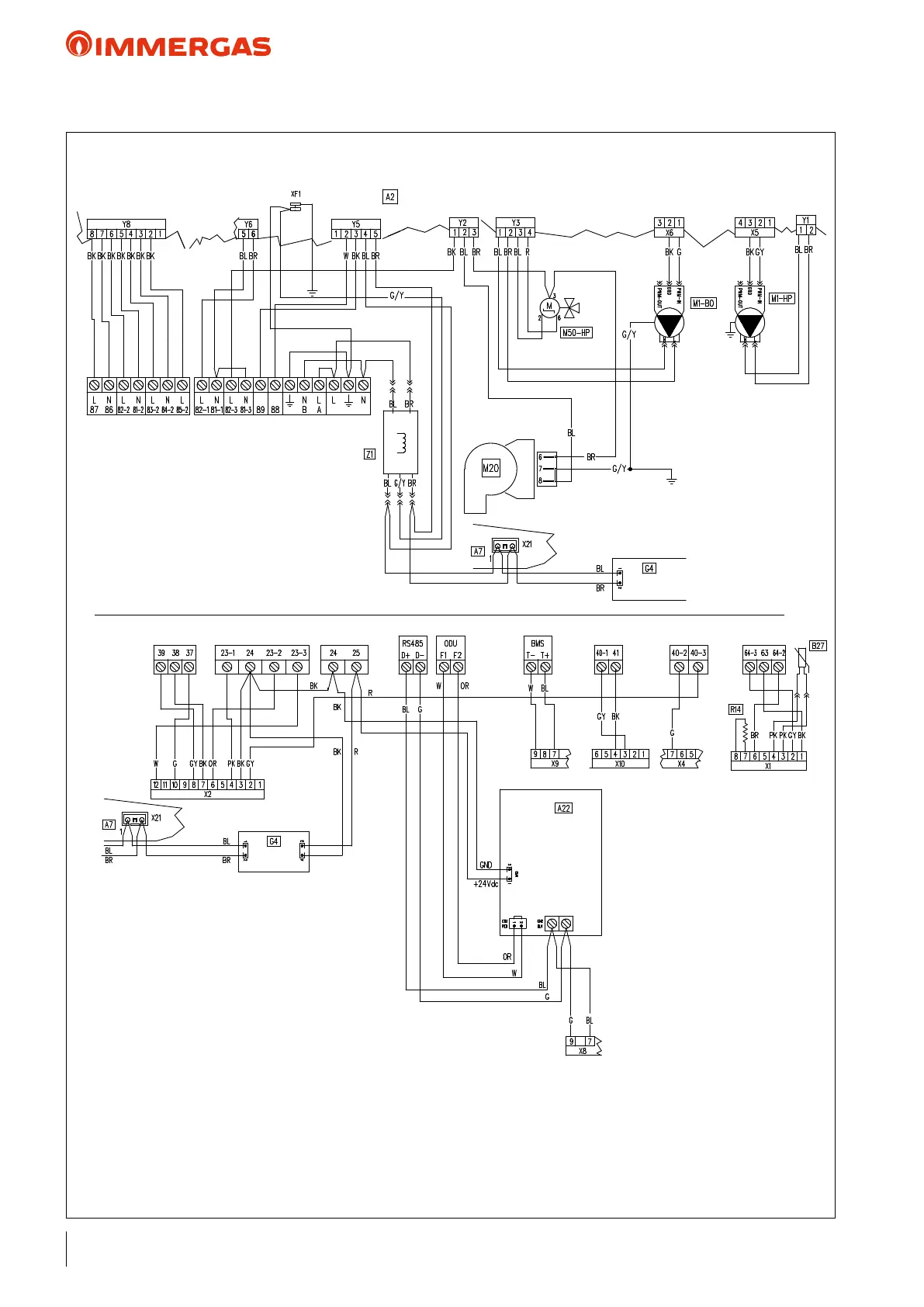
KEY:
A2 - P.C.B.
A7 - ree-relay board (optional)
G4 - 24 Vdc power supply unit
M1-BO - Heat generator circulator
M1-HP - HP generator circulator
M20 - Fan
M50-HP - HP three-way valve
Z1 - Antijamming lter
PK - Pink
R - Red
W - White
Y - Yellow
Y/G - Yellow/Green
W/BK - White/Black
KEY:
A7 - ree-relay board (optional)
A22 - Condensing unit interface board
B27 - Liquid phase probe
G4 - 24 Vdc power supply unit
R14 - Conguration resistance
Colour code key:
BK - Black
BL - Blue
BR - Brown
G - Green
GY - Grey
OR - Orange
P - Purple
PLUS version

Table of Contents

Related product manuals