EasyManua.ls Logo

Inovance Monarch NICE-L-C-4037F - Ard

Inovance Monarch NICE-L-C-4037F
152 pages
Print Icon
To Next Page IconTo Next Page
To Next Page IconTo Next Page
To Previous Page IconTo Previous Page
To Previous Page IconTo Previous Page
Loading...
- 73 -
3 System Functions
3
3.4.2 ARD
Wiring
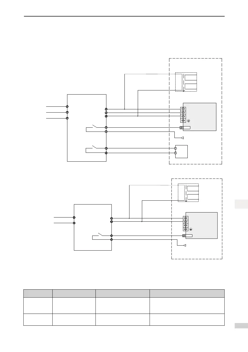
Figure 3-9 Wiring of three-phase (380 V) elevator ARD
R
24 V
T
Elevator control cabinet
Emergency
evacuation
signal output
Phase
shorting
output
11
14
Elevator ARD
Phase relay
L1
L2
S
T
1
2
3
4
L3
220 V
110 V
Transformer
380 V
Elevator
controller
R
S
T
X20
L1
L2
L3
External
mains
power
Figure 3-10 Wiring of single-phase (220 V) elevator ARD
L0
24 V
T
Elevator control cabinet
Emergency
evacuation
signal output
Elevator ARD
L1
N1
N0
1
2
220 V
110 V
Transformer
220 V
Elevator
controller
R
S
T
X20
L
N
External
mains power
Related Parameters
The parameter setting related to emergency evacuation by controller drive is described in the following
table.
Parameter No. Parameter Name Value Remarks
F8-10
Emergency evacuation
operation mode at
power failure
1: UPS -
F5-20 (X20) X20 function selection
27 (Emergency evacuation
signal)
Assume that X20 is used as the NO input
of emergency evacuation signal.

Other manuals for Inovance Monarch NICE-L-C-4037F

Related product manuals