EasyManua.ls Logo

Interacoustics VN415 - Page 252

Interacoustics VN415
347 pages
Print Icon
To Next Page IconTo Next Page
To Next Page IconTo Next Page
To Previous Page IconTo Previous Page
To Previous Page IconTo Previous Page
Loading...
Arbeit mit ENG: EO425 Seite 34
ENG/DLB Betriebsanleitung Deutsch
Date: 2012-11-27 Page 34
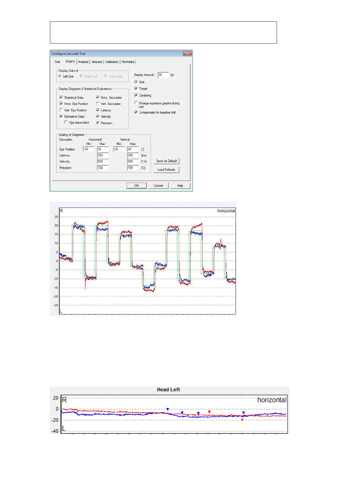
Abbildung 24 Konfiguration des Registers Saccade Test Graph (Diagramm Sakkadetest)
Abbildung 25 Ausgleich für Drift im Sakkadetest
Dies stellt die Messkurven ein und zentriert sie erneut:
Je länger die Testdauer, umso wahrscheinlicher ist eine Signaldrift.
Bewältigung von verrauschten Messungen
Unter manchen Gegebenheiten können Rauschen oder Artefakte in Ihren ENG Messungen
auftreten, die von der Software fehlinterpretiert und als Nystagmusaktivität markiert werden.
Abbildung 26 Rauschen in einer ENG Messung

Table of Contents

Related product manuals