EasyManua.ls Logo

Interroll i Series - Page 35

Default Icon
112 pages
Print Icon
To Next Page IconTo Next Page
To Next Page IconTo Next Page
To Previous Page IconTo Previous Page
To Previous Page IconTo Previous Page
Loading...
Interroll Drum motor series i, S, S/A, D
i-series product information
Version 4.1 (06/2015) en-US
Translation of original instruction manual
35
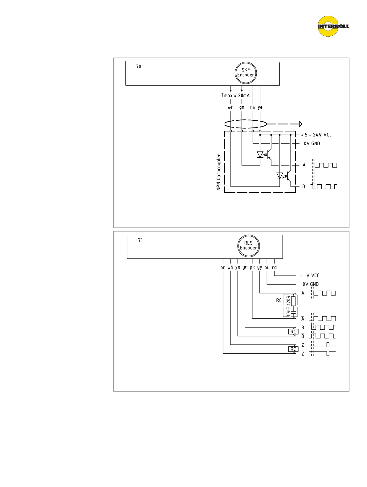
3-phase, 4+2 and 4-core cable, winding for 1 voltage, delta or star connection
Option: 2 voltages with 7-2-core cable available
Interroll recommends the use of optocouplers
x
8-core cable, RLS encoder
The connection with resistor and capacitor (RC) can reduce electronic interferences.
x = encoder voltage acc. to motor type plate

Table of Contents

Related product manuals