EasyManua.ls Logo

Jackson RackStar 44 - Steam Booster Dimensions

Jackson RackStar 44
92 pages
Print Icon
To Next Page IconTo Next Page
To Next Page IconTo Next Page
To Previous Page IconTo Previous Page
To Previous Page IconTo Previous Page
Loading...
07610-004-33-05-E
11
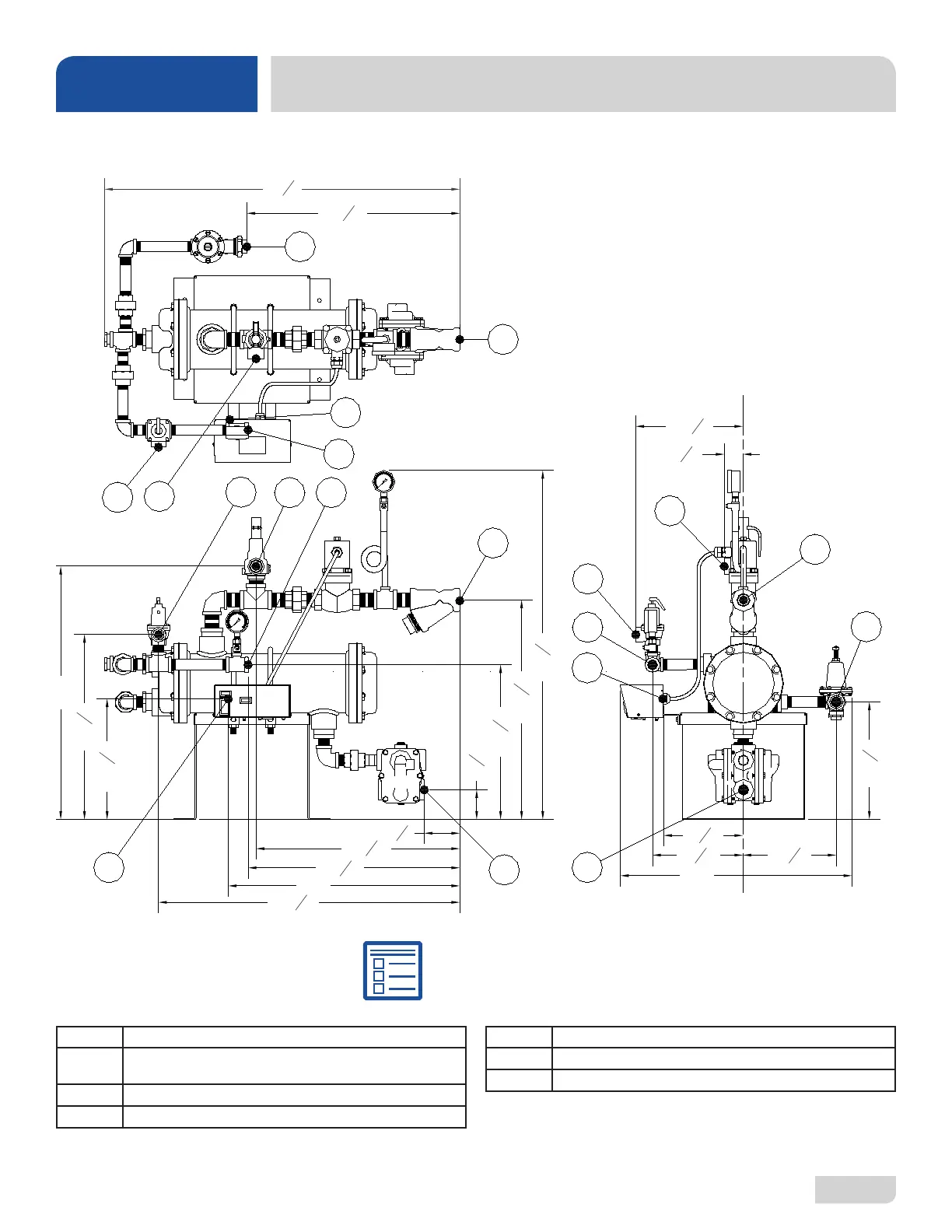
SPECIFICATIONS
STEAM BOOSTER DIMENSIONS
20
3
4
2
7
8
17
1
2
24”
14
5
8
33
1
8
8
7
8
8
5
8
S
PS
PW
C
S
W1
W2
C
10
1
8
PW
1
3
4
PS
W2
11
1
8
22”
3
3
8
19
20
1
8
28
5
8
20
1
4
W1
S
W2
PS
PW
33
11
3
8
22”
7
1
2
E
E
E
11
16
3
8
E Main Electrical Connection (7/8" Hole)
W1 Main Inlet Water Connection
(3/4" NPT, 110 °F MIN, 20 ± 5 PSI)
W2 Water Outlet Connection (3/4" NPT)
PW Water Pressure Relief Outlet (3/4" NPT)
PS Steam Pressure Relief Outlet (1" NPT)
S Steam Supply to Booster (1" NPT)
C Steam Condensate Connection (3/4" NPT)
Click here for the Steam Booster manual.

Table of Contents

Other manuals for Jackson RackStar 44

Related product manuals