EasyManua.ls Logo

Jandy LRZ Electronic - Page 47

Jandy LRZ Electronic
48 pages
Print Icon
To Next Page IconTo Next Page
To Next Page IconTo Next Page
To Previous Page IconTo Previous Page
To Previous Page IconTo Previous Page
Loading...
Page 47
ENGLISH
Installation and Operation Manual
|
Jandy
®
Legacy™ Model LRZE Pool/Spa Heater by Zodiac
®
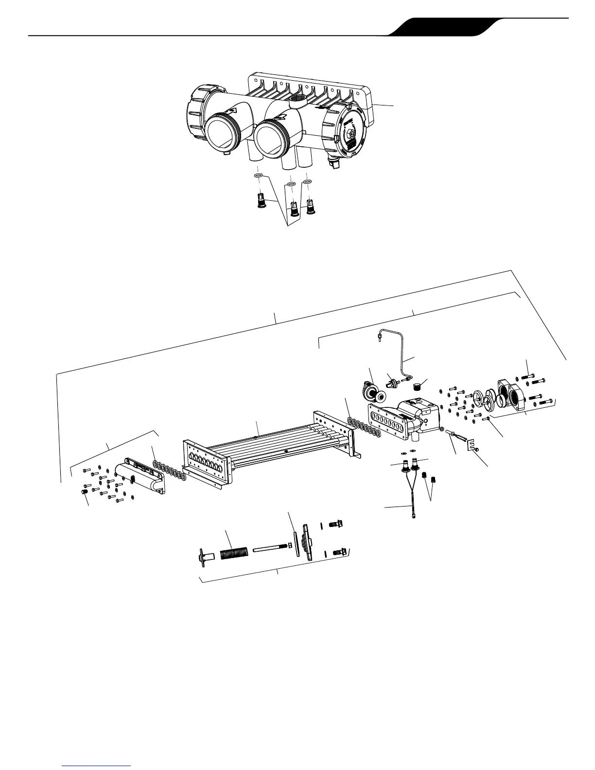
58
59
55
56
61
23
26
25
15,16
54
53
61
63
65,66
63
52
57
20
60
52
51
50
62
68
41

Table of Contents

Related product manuals