EasyManua.ls Logo

Johnson Controls SAB 355 - Page 78

Johnson Controls SAB 355
158 pages
Print Icon
To Next Page IconTo Next Page
To Next Page IconTo Next Page
To Previous Page IconTo Previous Page
To Previous Page IconTo Previous Page
Loading...
Engineering manual - SAB 355 Screw compressor unit (including ATEX)
78/156
004100 en 2020.10
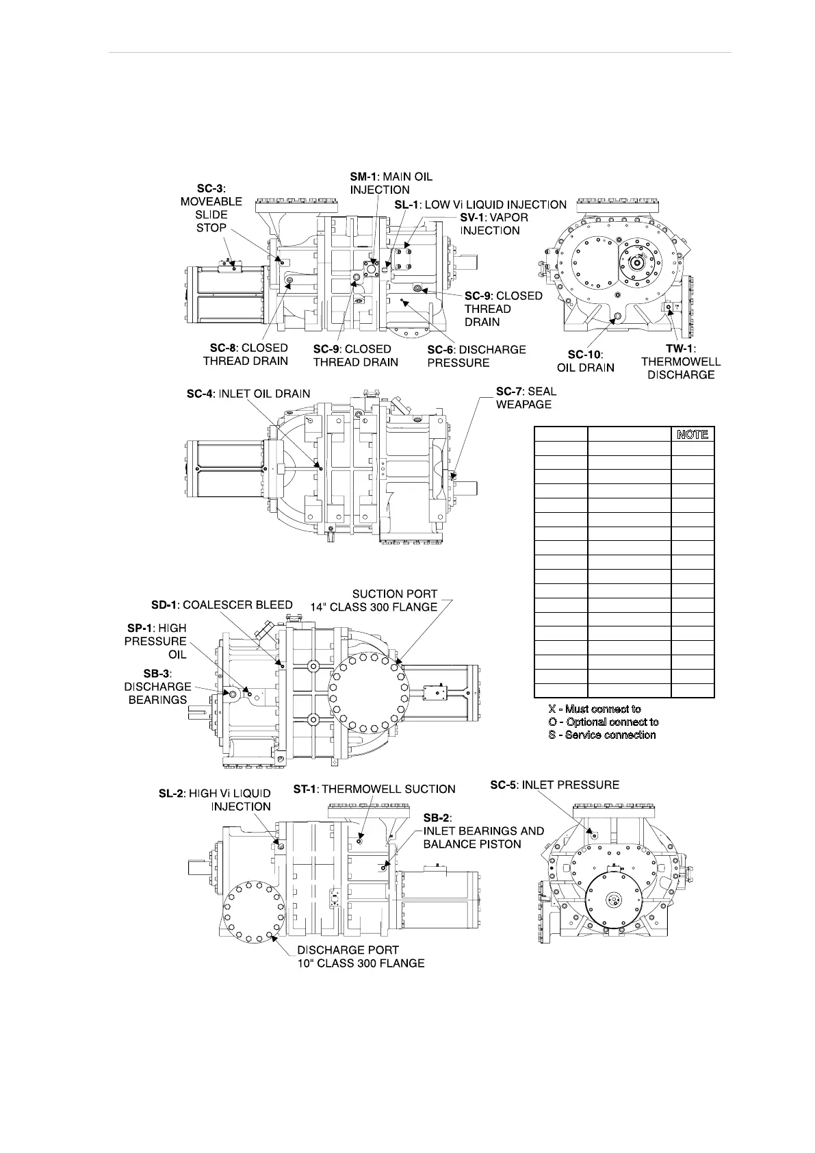
Physical and connection data
Compressor port locations, SGC 3511 and 3515
PORT NPTF SIZE NOTE
SB-2 3/4-14
X
SB-3 1½-11½
X
SC-3 1/2-14
X
SC-4 1/2-14
S
SC-5 3/8-18
O
SC-6 3/8-18
O
SC-7 1/8-27
X
SC-8 1¼-11½
S
SC-9 1½-11½
S
SC-10 1½-11½
S
SD-1 1/2-14
O
SL-1 1¼-11½
O
SL-2 1¼-11½
O
SM-1 2 Sq Flg
X
SP-1 3/4-14
X
ST-1 3/4-14
O
SV-1 3 Sq Flg
O
TW-1 3/4-14
O
X - Must connect to
O - Optional connect to
S - Service connection
Fig. 56: Compressor port locations - SGC 3511 and 3515.

Table of Contents

Related product manuals