EasyManua.ls Logo

Johnston VT501 - Page 147

Johnston VT501
210 pages
Print Icon
To Next Page IconTo Next Page
To Next Page IconTo Next Page
To Previous Page IconTo Previous Page
To Previous Page IconTo Previous Page
Loading...
All Copyright and rights are the property of Johnston Sweepers Ltd
MA5:9
V Range 501 l 651 l 801 Maintenance Manual
Johnston Sweepers Limited
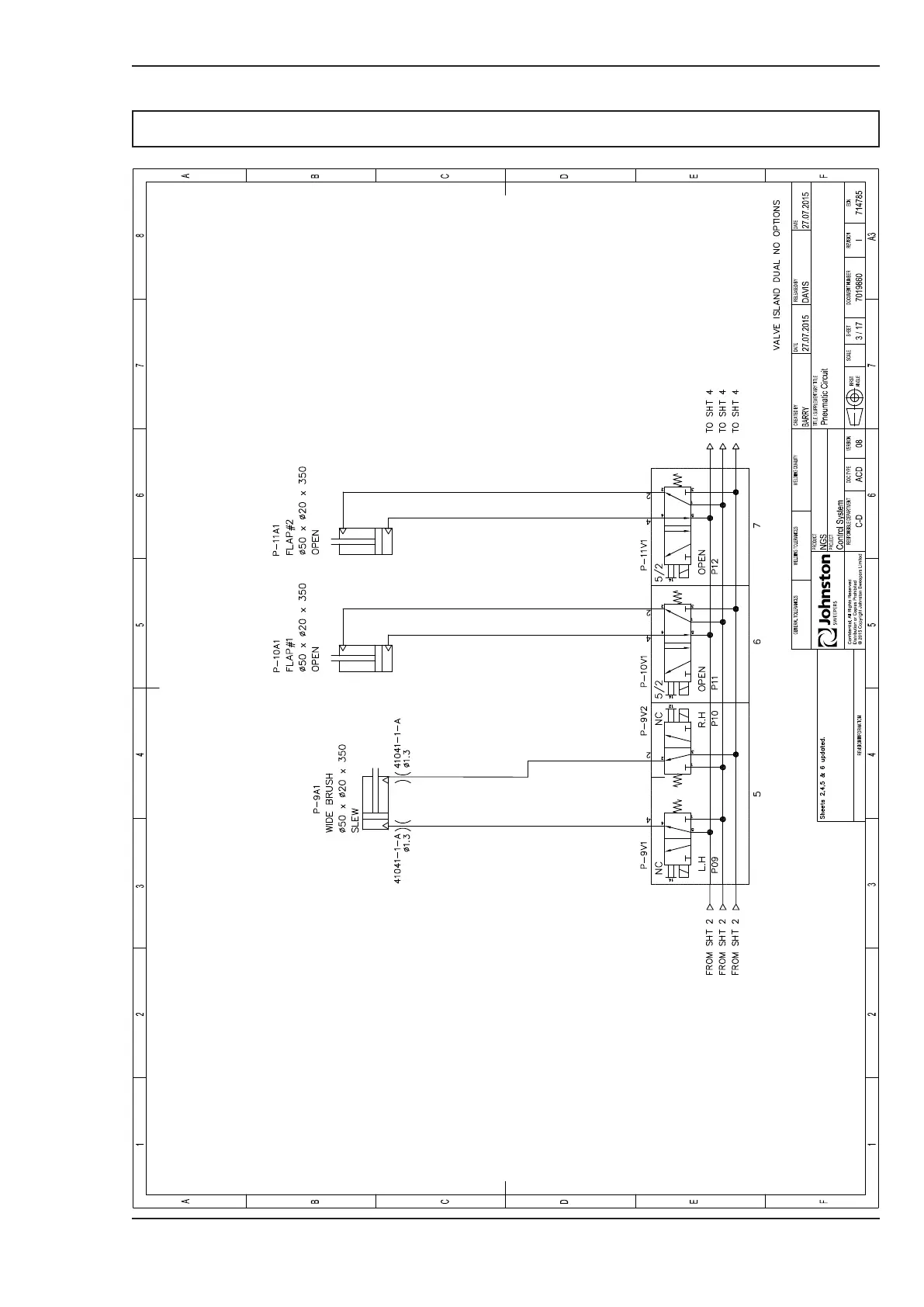
Chapter - Pneumatic System
Page Issue B
Valve Island Dual - No Options 02 - Sheet 3/17 Rev I

Table of Contents

Related product manuals