EasyManua.ls Logo

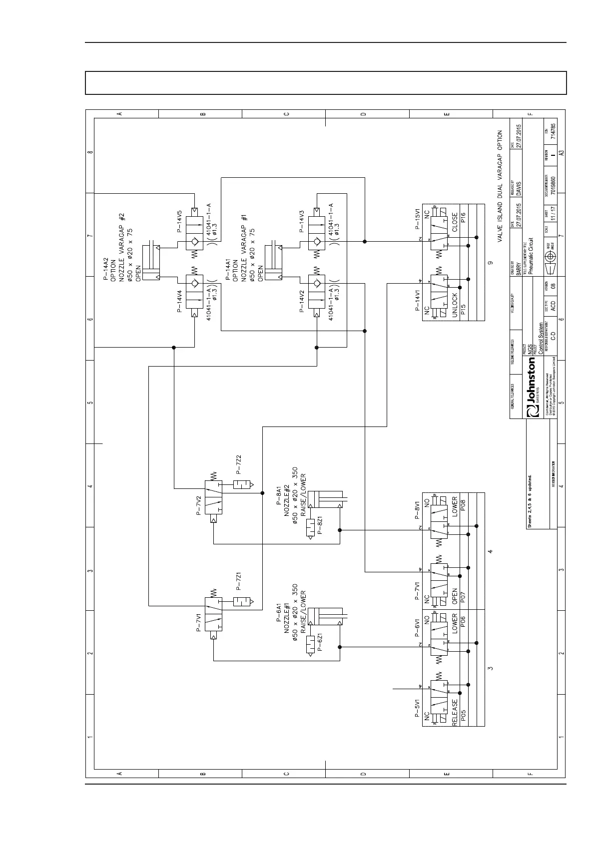
Johnston VT501 - Valve Island Dual Varagap Option

Johnston VT501
210 pages
Print Icon
To Next Page IconTo Next Page
To Next Page IconTo Next Page
To Previous Page IconTo Previous Page
To Previous Page IconTo Previous Page
Loading...
All Copyright and rights are the property of Johnston Sweepers Ltd
MA5:17
V Range 501 l 651 l 801 Maintenance Manual
Johnston Sweepers Limited
Chapter - Pneumatic System
Valve Island Dual Varagap Option - Sheet 11/17 Rev I
Page Issue B

Table of Contents

Related product manuals