EasyManua.ls Logo

Johnston VT501 - Dual Sweep Controls

Johnston VT501
210 pages
Print Icon
To Next Page IconTo Next Page
To Next Page IconTo Next Page
To Previous Page IconTo Previous Page
To Previous Page IconTo Previous Page
Loading...
All Copyright and rights are the property of Johnston Sweepers Ltd
V Range 501 l 651 l 801 Maintenance Manual
MA2:10
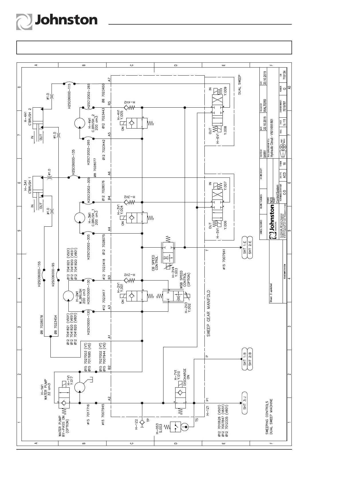
Chapter - Hydraulic System
Page Issue B
Dual Sweep Controls - Sheet 5/11 Rev Q

Table of Contents

Related product manuals