EasyManua.ls Logo

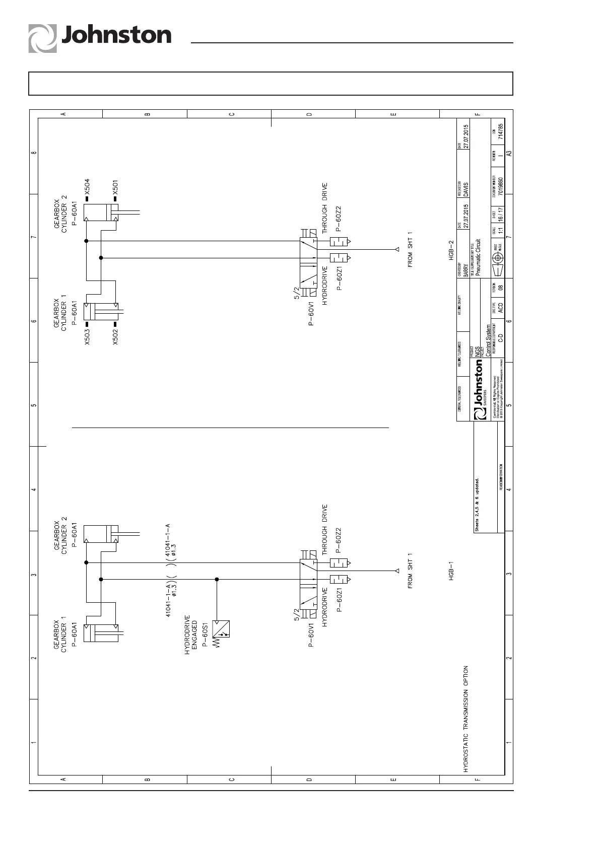
Johnston VT501 - Hydrostatic Transmission Option

Johnston VT501
210 pages
Print Icon
To Next Page IconTo Next Page
To Next Page IconTo Next Page
To Previous Page IconTo Previous Page
To Previous Page IconTo Previous Page
Loading...
All Copyright and rights are the property of Johnston Sweepers Ltd
V Range 501 l 651 l 801 Maintenance Manual
MA5:22
Chapter - Pneumatic System
Hydrostatic Transmission Option - Sheet 16/17 Rev I
Page Issue B

Table of Contents

Related product manuals