EasyManua.ls Logo

Johnston VT501 - Valve Island Powasave Option

Johnston VT501
210 pages
Print Icon
To Next Page IconTo Next Page
To Next Page IconTo Next Page
To Previous Page IconTo Previous Page
To Previous Page IconTo Previous Page
Loading...
All Copyright and rights are the property of Johnston Sweepers Ltd
V Range 501 l 651 l 801 Maintenance Manual
MA5:16
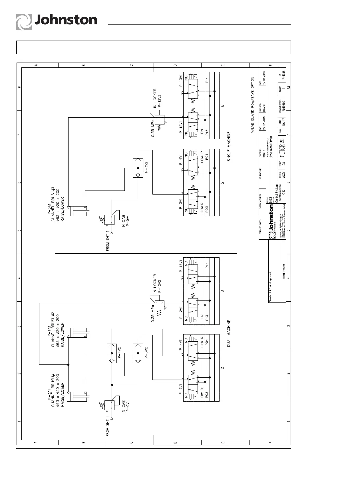
Chapter - Pneumatic System
Valve Island Powasave Option - Sheet 10/17 Rev I
Page Issue B

Table of Contents

Related product manuals