EasyManua.ls Logo

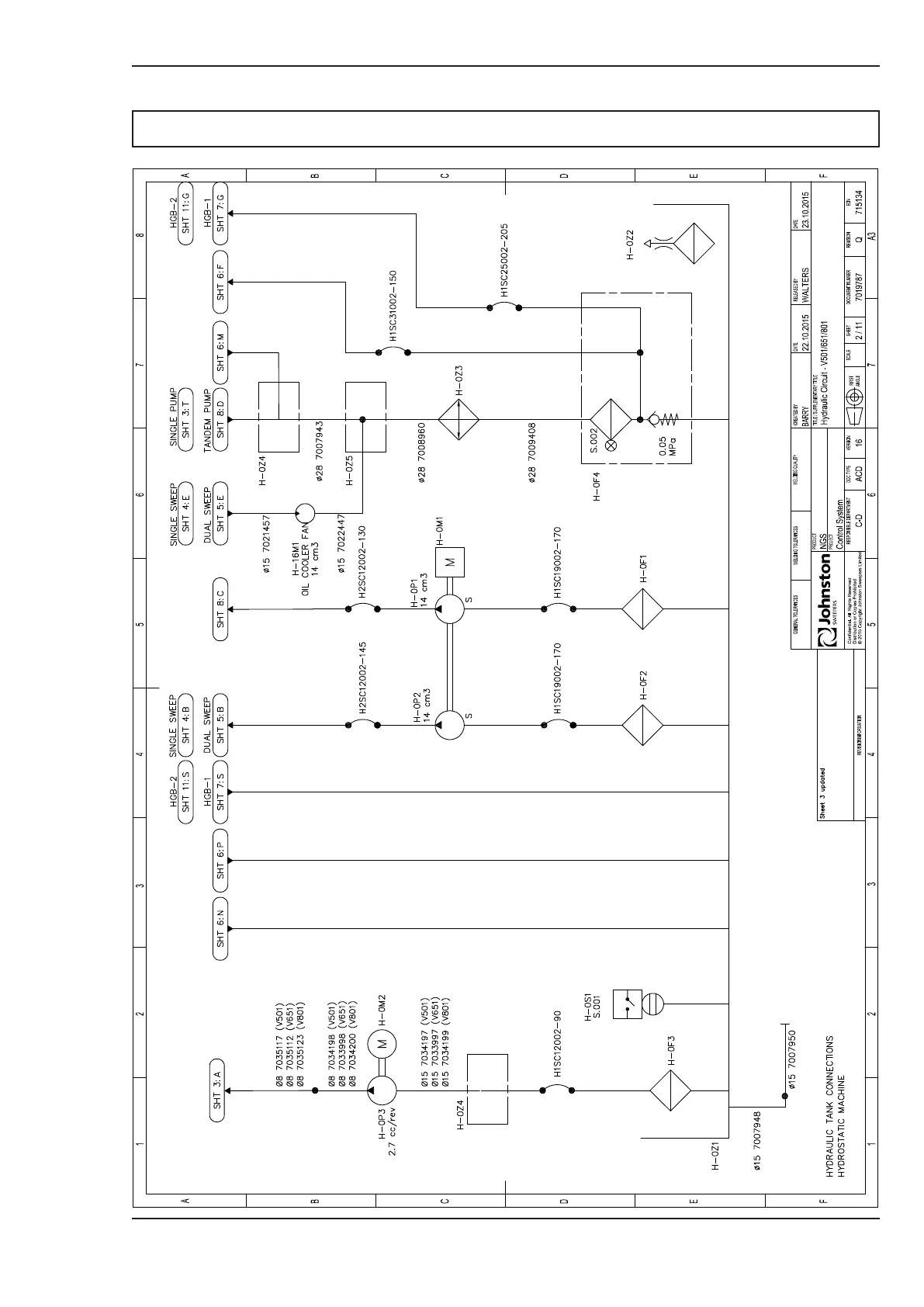
Johnston VT501 - Hydraulic Tank Connections - Hydrostatic Machine

Johnston VT501
210 pages
Print Icon
To Next Page IconTo Next Page
To Next Page IconTo Next Page
To Previous Page IconTo Previous Page
To Previous Page IconTo Previous Page
Loading...
All Copyright and rights are the property of Johnston Sweepers Ltd
MA2:7
V Range 501 l 651 l 801 Maintenance Manual
Johnston Sweepers Limited
Chapter - Hydraulic System
Page Issue B
Hydraulic Tank Connections - Hydrostatic Machine - Sheet 2/11 Rev Q

Table of Contents

Related product manuals