EasyManua.ls Logo

Johnston VT501 - Valve Island Auto Lock Option

Johnston VT501
210 pages
Print Icon
To Next Page IconTo Next Page
To Next Page IconTo Next Page
To Previous Page IconTo Previous Page
To Previous Page IconTo Previous Page
Loading...
All Copyright and rights are the property of Johnston Sweepers Ltd
MA5:15
V Range 501 l 651 l 801 Maintenance Manual
Johnston Sweepers Limited
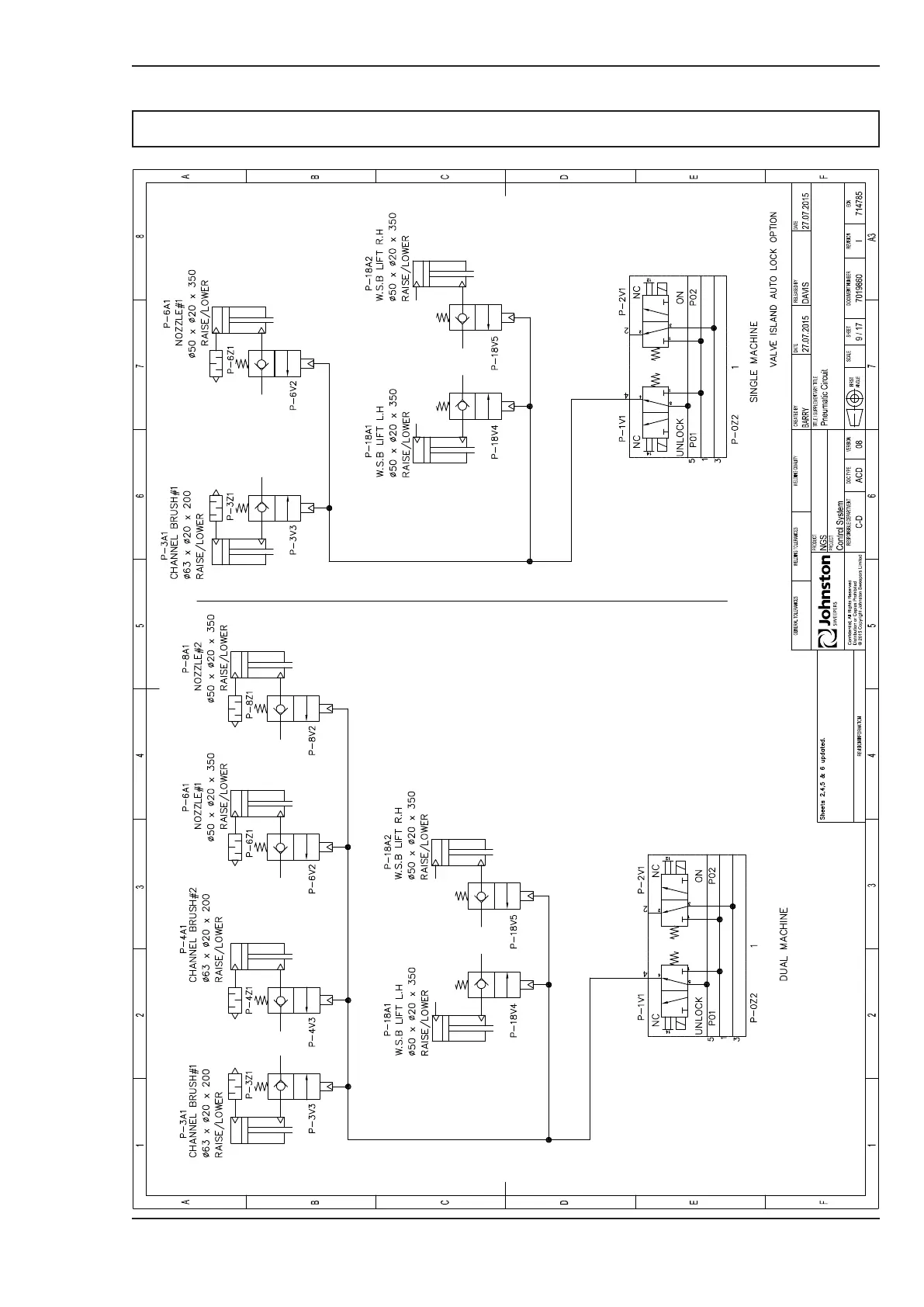
Chapter - Pneumatic System
Valve Island Auto Lock Option - Sheet 9/17 Rev I
Page Issue B

Table of Contents

Related product manuals