EasyManua.ls Logo

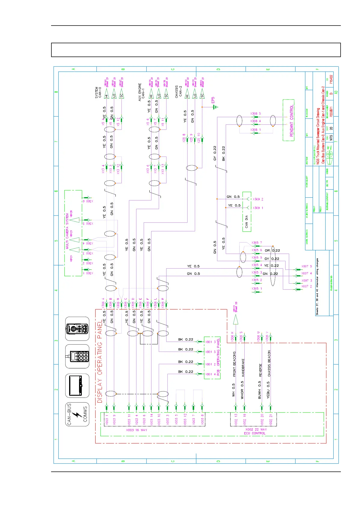
Johnston VT501 - Can-Bus System Can-0, Aux Engine Can-1, and Chassis Can-2

Johnston VT501
210 pages
Print Icon
To Next Page IconTo Next Page
To Next Page IconTo Next Page
To Previous Page IconTo Previous Page
To Previous Page IconTo Previous Page
Loading...
All Copyright and rights are the property of Johnston Sweepers Ltd
MA3:35
V Range 501 l 651 l 801 Maintenance Manual
Johnston Sweepers Limited
Chapter - Electrical System
Page Issue B
Can-Bus System Can-0, Aux Engine Can-1, and Chassis Can-2 - Sheet 20/64 Rev D

Table of Contents

Related product manuals