EasyManua.ls Logo

Johnston VT501 - Powapak Node Engine Pack Sensors & Control (Generic Engine)

Johnston VT501
210 pages
Print Icon
To Next Page IconTo Next Page
To Next Page IconTo Next Page
To Previous Page IconTo Previous Page
To Previous Page IconTo Previous Page
Loading...
All Copyright and rights are the property of Johnston Sweepers Ltd
MA3:43
V Range 501 l 651 l 801 Maintenance Manual
Johnston Sweepers Limited
Chapter - Electrical System
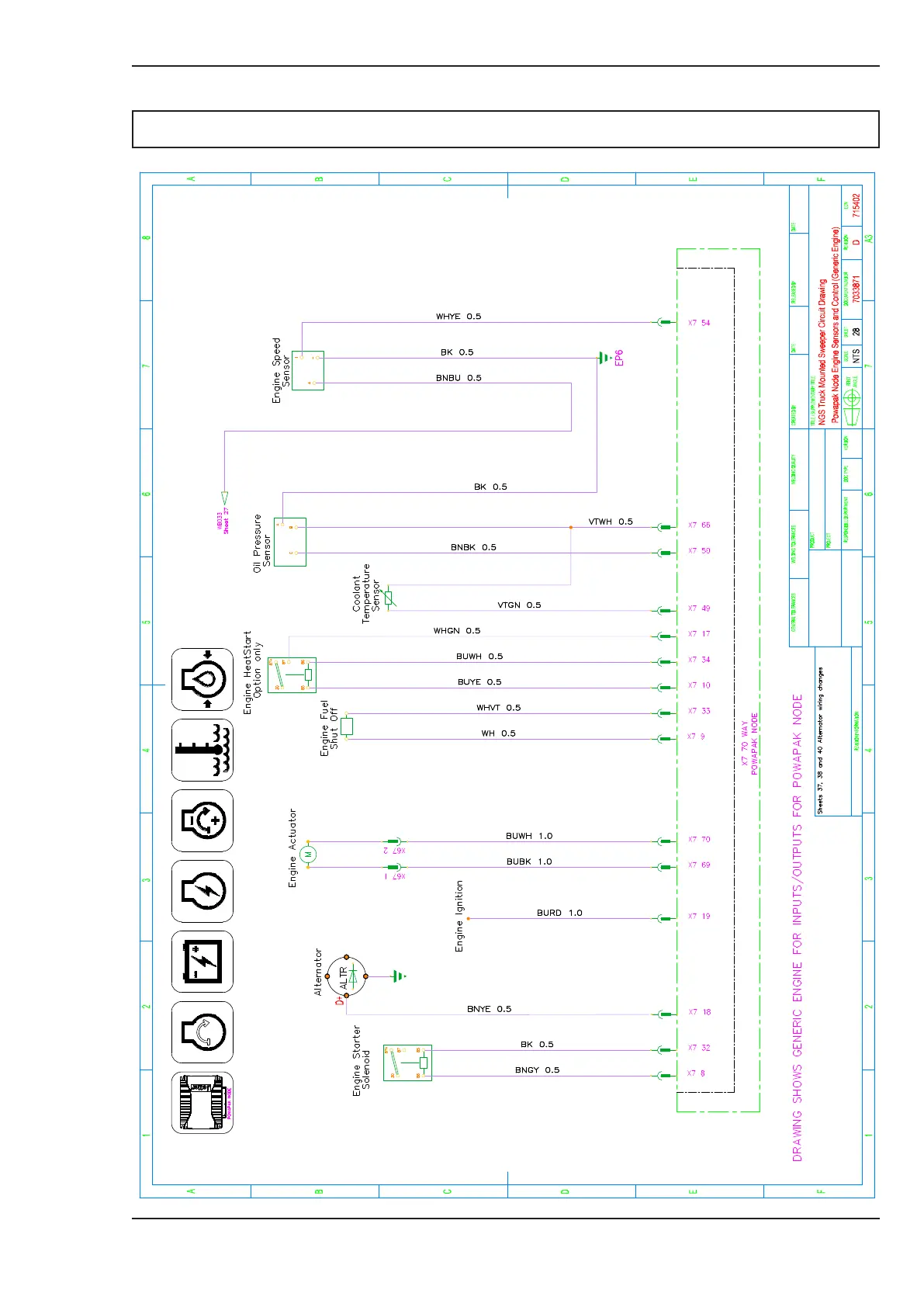
Powapak Node Engine Pack Sensors & Control (Generic Engine) - Sheet 28/64 Rev D
Page Issue B

Table of Contents

Related product manuals