EasyManua.ls Logo

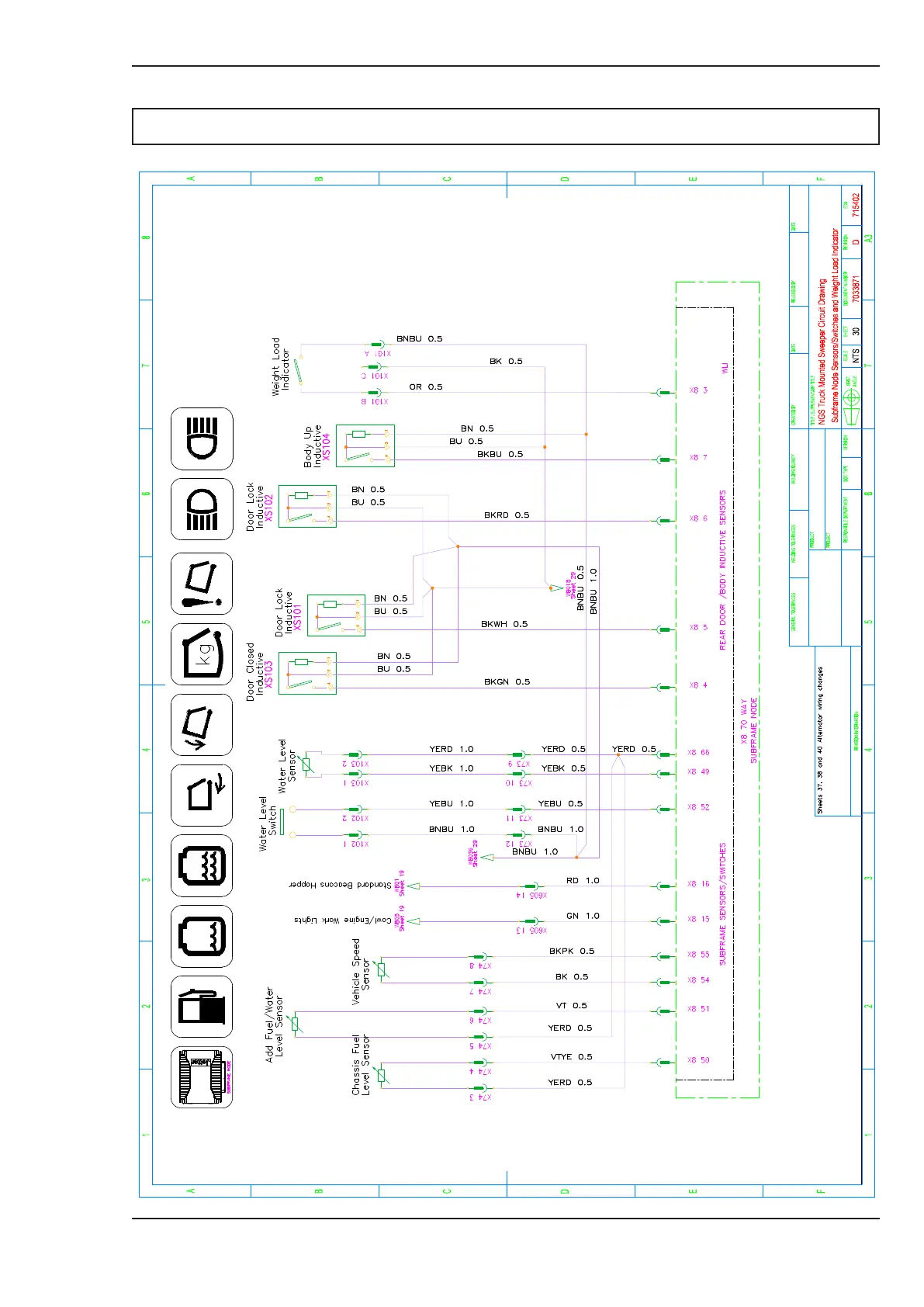
Johnston VT501 - Subframe Node Sensors;Switches and Weight Load Indicator

Johnston VT501
210 pages
Print Icon
To Next Page IconTo Next Page
To Next Page IconTo Next Page
To Previous Page IconTo Previous Page
To Previous Page IconTo Previous Page
Loading...
All Copyright and rights are the property of Johnston Sweepers Ltd
MA3:45
V Range 501 l 651 l 801 Maintenance Manual
Johnston Sweepers Limited
Chapter - Electrical System
Subframe Node Sensors/Switches and Weight Load Indicator - Sheet 30/64 Rev D
Page Issue B

Table of Contents

Related product manuals