EasyManua.ls Logo

JOYTECH SL800DC - Control Board Connection and Adjustment; Wiring Instruction

Default Icon
39 pages
Print Icon
To Next Page IconTo Next Page
To Next Page IconTo Next Page
To Previous Page IconTo Previous Page
To Previous Page IconTo Previous Page
Loading...
11
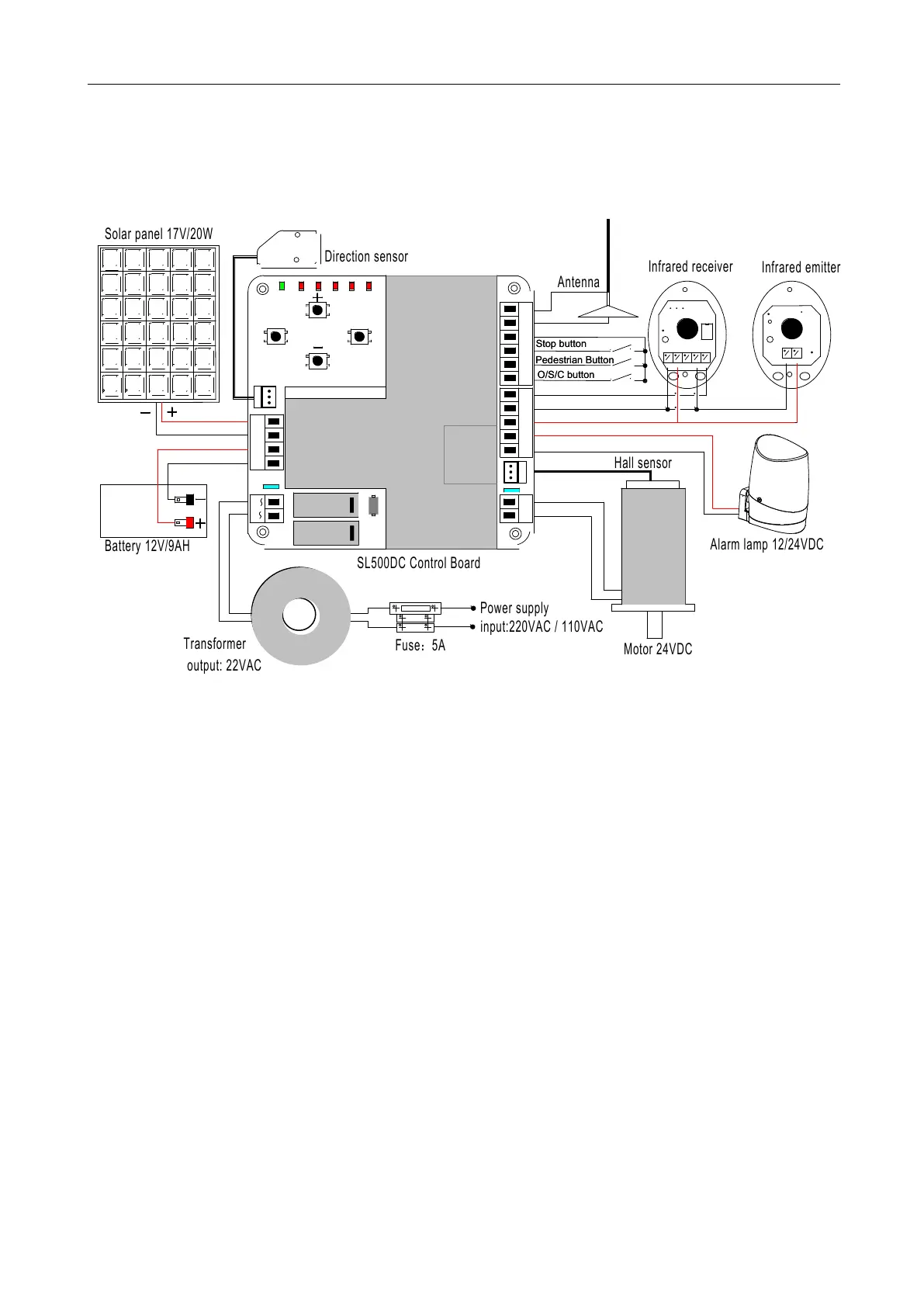
5. Control Board Connection and Adjustment
5.1 Wiring Instruction
L0 L1
L2 L3 L4
L5
PROG
SET
SOL
BAT
POWER
+ -
+ -
V+V-
V+
V-
NO COM NC
Infrared receiver
Infrared emitter
LAMP
12V
GND IR
+ -
OSC PED
STP
COM GND
ANT
Solar panel 17V/20W
Battery 12V/9AH
Alarm lamp 12/24VDC
Antenna
PedestrianPedestrian ButtonButton
O/S/CO/S/C buttonbutton
StopStop buttonbutton
Hall sensor
Motor 24VDC
Transformer
output: 22VAC
Fuse5A
Power supply
SL500DC Control Board
Direction sensor
input:220VAC / 110VAC
Figure 12
1. Power supply port (P7) (Transformer Output)
Transformer specification: 240VAC/22VAC or 120VAC/22VAC
Rated power: 120W
2. Battery and solar panel ports (P5)
Battery specification: 12V/9AH Solar panel specification: 17V/20W
3. Direction sensor port (P3)
4. Motor port (P8)
5. Hall sensor port (P6)
6. Alarm lamp and infrared sensor ports (P4)
Alarm lamp type: LED Voltage: 12/24VDC Infrared sensor: NC
7. External button and antenna ports (P1)
External button: NO

Related product manuals