EasyManua.ls Logo

Keysight Technologies N5221A - Page 191

Keysight Technologies N5221A
368 pages
Print Icon
To Next Page IconTo Next Page
To Next Page IconTo Next Page
To Previous Page IconTo Previous Page
To Previous Page IconTo Previous Page
Loading...
Keysight N5221A/22A Service Guide 6-35
Replaceable Parts
Replaceable Parts Listings
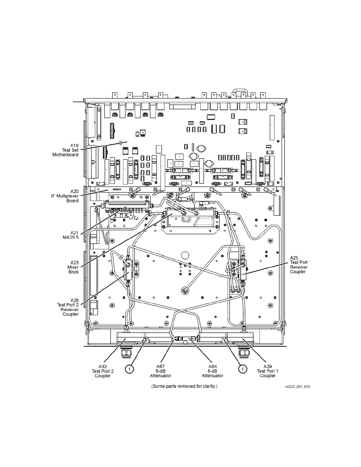
Figure 6-14 Bottom Assemblies, 2-Port, Option 210

Table of Contents

Related product manuals