EasyManua.ls Logo

Keysight Technologies N5221A - Page 302

Keysight Technologies N5221A
368 pages
To Next Page IconTo Next Page
To Next Page IconTo Next Page
To Previous Page IconTo Previous Page
To Previous Page IconTo Previous Page
Loading...
7-38 Keysight N5221A/22A Service Guide
Repair and Replacement Procedures
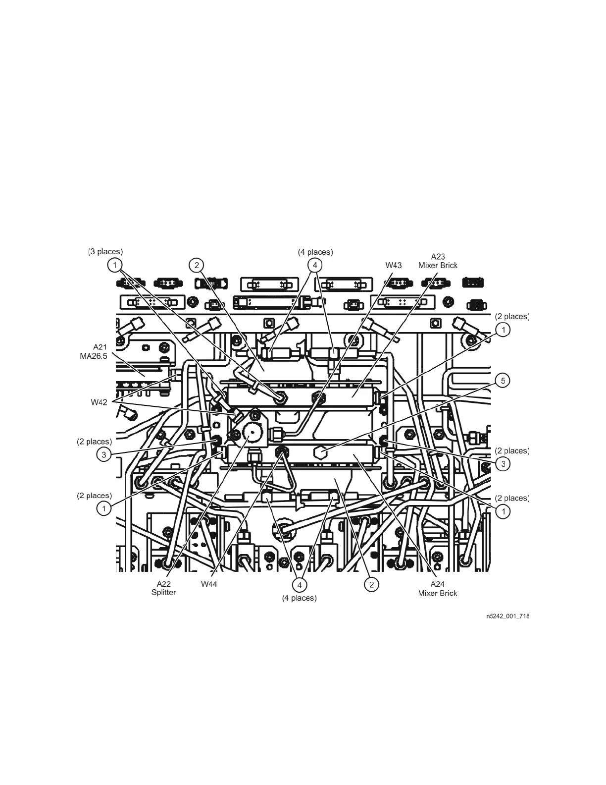
Removing and Replacing the A23 and A24 Mixer Bricks
7-
1. Reverse the order of the removal procedure.
If replacing the A24 mixer brick, remember to install the short circuit
termination (item
), removed from the old mixer brick, onto the new
mixer brick in the same location.
Torque all RF cable connections to 10 in-lbs.
2. Perform the post-repair adjustments, verifications, and performance tests
that pertain to this removal procedure. Refer to Table 7-2 on page 7-60.
Figure 7-16 A23 and A24 Mixer Bricks Removal

Table of Contents

Related product manuals