EasyManua.ls Logo

KitchenAid KUDE20FB*0 - KitchenAid Dishwasher Wiring Diagram

KitchenAid KUDE20FB*0
120 pages
Print Icon
To Next Page IconTo Next Page
To Next Page IconTo Next Page
To Previous Page IconTo Previous Page
To Previous Page IconTo Previous Page
Loading...
TESTING
KitchenAid 2013 Stainless Steel Tall Tub Dishwasher
n
6-3
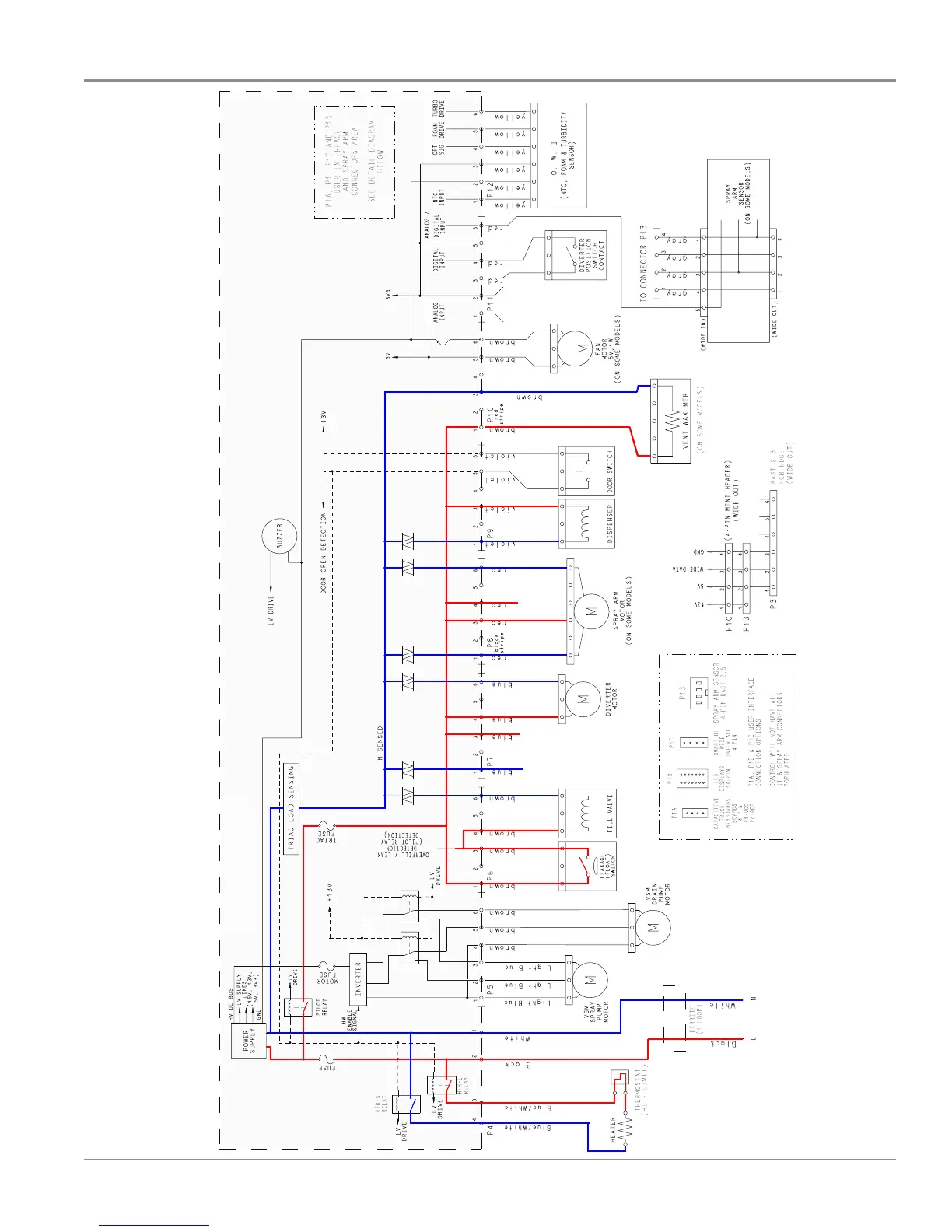
Wiring Diagram
Schemac shown with door switch and all other normally open contacts open.
* Denotes energy ecient components. Do not substute.
For Service Technician Use Only
F2
F101
F1

Table of Contents

Related product manuals