EasyManua.ls Logo

Koden MDC-1840BB - Page 27

Koden MDC-1840BB
185 pages
Print Icon
To Next Page IconTo Next Page
To Next Page IconTo Next Page
To Previous Page IconTo Previous Page
To Previous Page IconTo Previous Page
Loading...
MDC-1840BB/1841BB/1860BB/1810BB/1820BB Series Chapter 3
Operation Manual Technical Specifications
0093142122-08 3-5
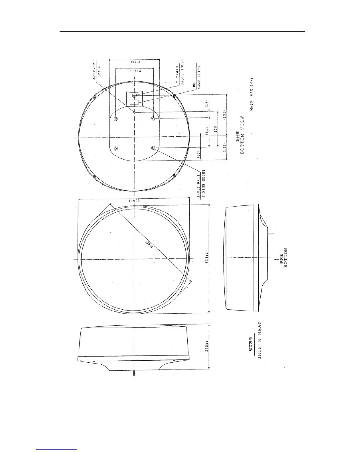
Unit in mm
(
inch
)
Figure 3.1 External dimensions of the Antenna unit, RB715A

Table of Contents