EasyManua.ls Logo

Kollmorgen S700 Series

Kollmorgen S700 Series
206 pages
Go to English
To Next Page IconTo Next Page
To Next Page IconTo Next Page
To Previous Page IconTo Previous Page
To Previous Page IconTo Previous Page
Loading...
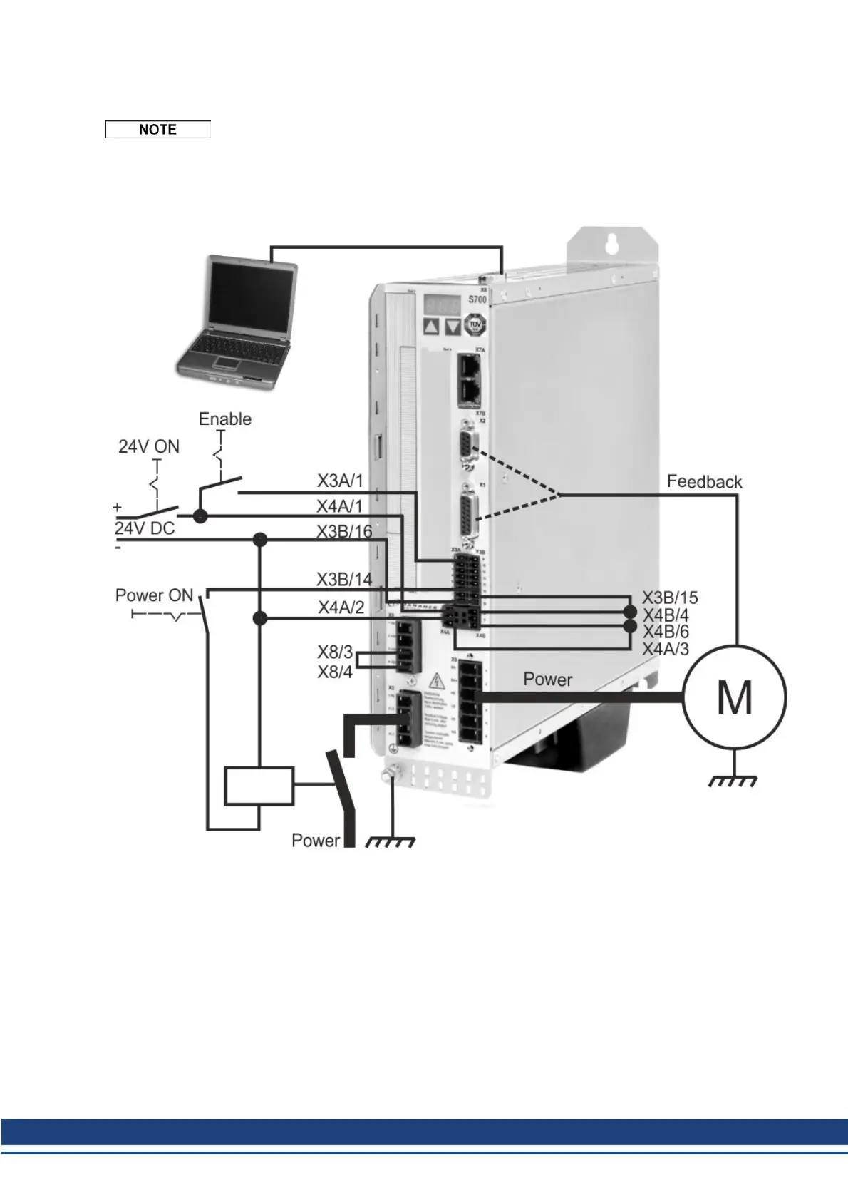
2.7.3.3 Minimum Wiring for Drive Test S701...S724 without load
This wiring does not fulfill any requirements to safety or functionality of your application, it
just shows the required wiring for drive testing without load.
S700 Safety Guide | 2 English
Kollmorgen | wiki-kollmorgen.eu | February 2017 69

Table of Contents

Other manuals for Kollmorgen S700 Series

Related product manuals