EasyManua.ls Logo

Liebert Hisp - Page 90

Liebert Hisp
94 pages
Print Icon
To Next Page IconTo Next Page
To Next Page IconTo Next Page
To Previous Page IconTo Previous Page
To Previous Page IconTo Previous Page
Loading...
15
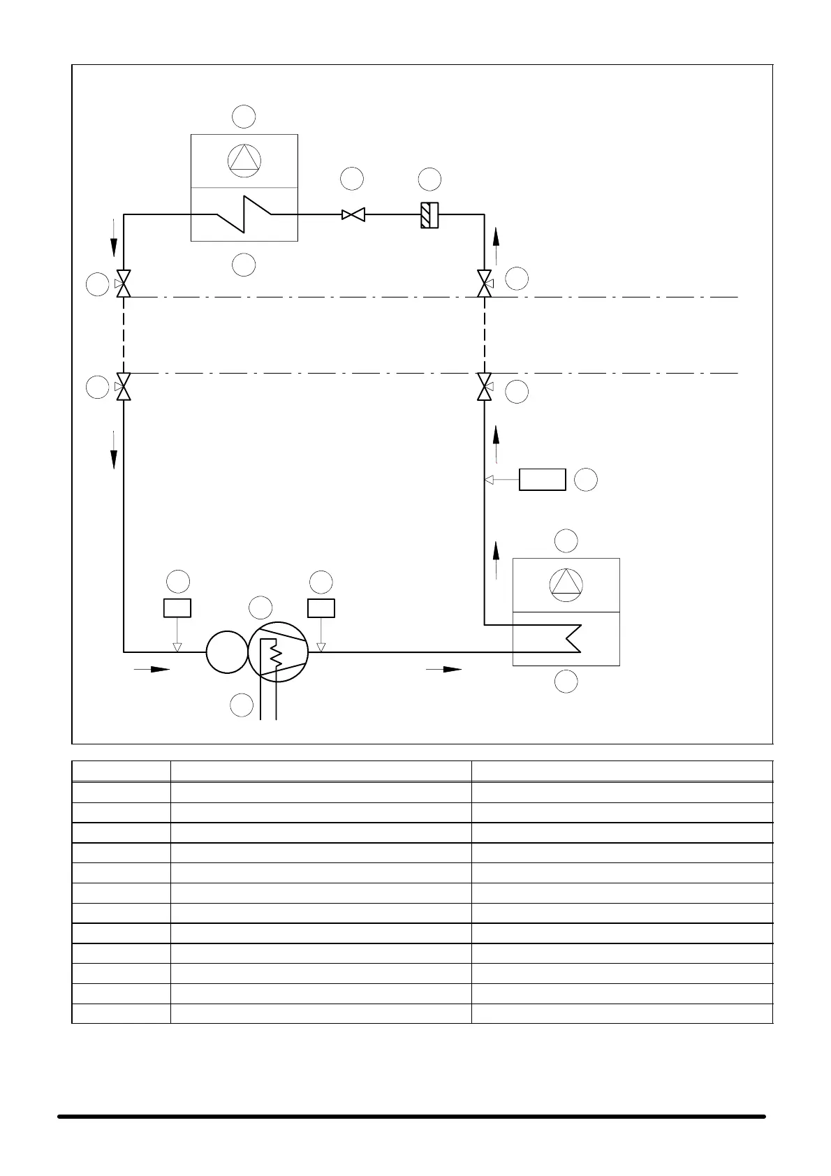
Fig. 11 --- Refrigeration circuit --- Schema frigorifero SE+SC 05---06
SE05+SC05 ø8
SE06+SC06 ø8
CONNECTION PIPING
TUBAZIONE DI COLLEGAMENTO
SE05+SC05 ø14
SE06+SC06 ø16
5
5
5
5
9
MC
6
10
11
EXTERNAL UNIT
UNITA’ ESTERNA
4
3
1
12
EV
LP HP
2
8
SUPPLY LIMIT --- LIMITE DI FORNITURA
SUPPLY LIMIT --- LIMITE DI FORNITURA
INTERNAL UNIT
UNIT A’ INTERNA
CONNECTION PIPING
TUBAZIONE DI COLLEGAMENTO
7
POS. DESCRIPTION DESCRIZIONE
1 Evaporator fan Ventilatore evaporatore
2 Evaporator Evaporatore
3 Expansion capillary Capillare d’espansione
4 Filter dryer Filtro deidratore
5 Shut---off valve Rubinetto di intercettazione
6 Compressor Compressore
7 Crankcase heating element Resistenza carter
8 Condenser fan Ventilatore condensatore
9 Air cooled condenser Condensatore ad aria
10 Low pressure switch Pressostato bassa pressione
11 High pressure switch Pressostato alta pressione
12 Fan pressure switch control adjuster Regolatore pressostatico del ventilatore

Table of Contents

Related product manuals