EasyManua.ls Logo

Linde E30 - Freewheel Circuit

Linde E30
168 pages
Print Icon
To Next Page IconTo Next Page
To Next Page IconTo Next Page
To Previous Page IconTo Previous Page
To Previous Page IconTo Previous Page
Loading...
Service Training
Section 2.6
Page 30
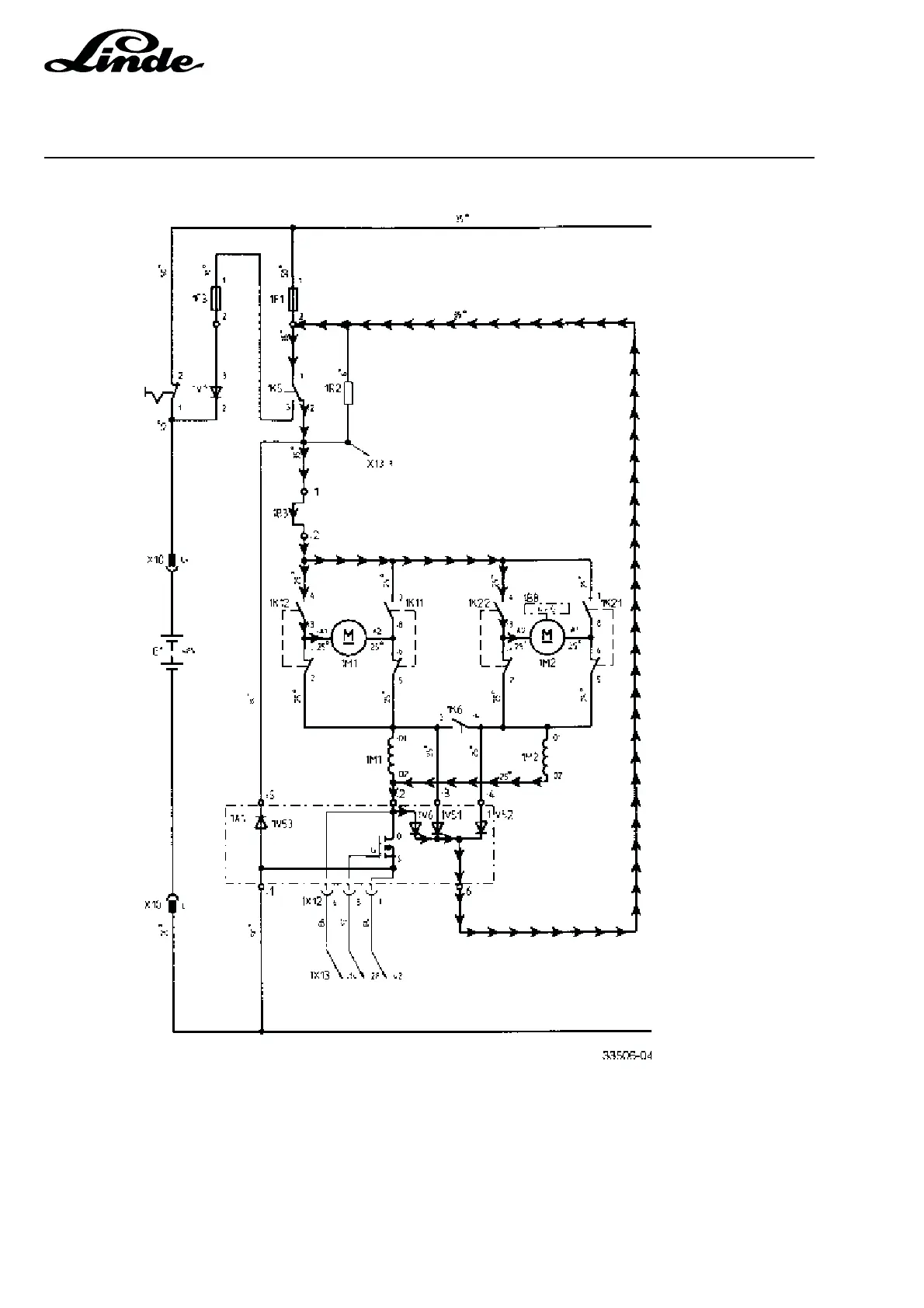
2.6.5.3 FREEWHEEL CIRCUIT
When the FETs in the power module are turned off, the traction motors induce a voltage. The induced voltage
is negative at terminals A1 and A2 and positive at D2. Therefore a freewheel current can flow through
freewheel diode 1V6 bypassing the motors.

Table of Contents

Related product manuals