EasyManua.ls Logo

Linde E30 - Contactor Panels

Linde E30
168 pages
Print Icon
To Next Page IconTo Next Page
To Next Page IconTo Next Page
To Previous Page IconTo Previous Page
To Previous Page IconTo Previous Page
Loading...
Service Training
Section 2.6
Page 14
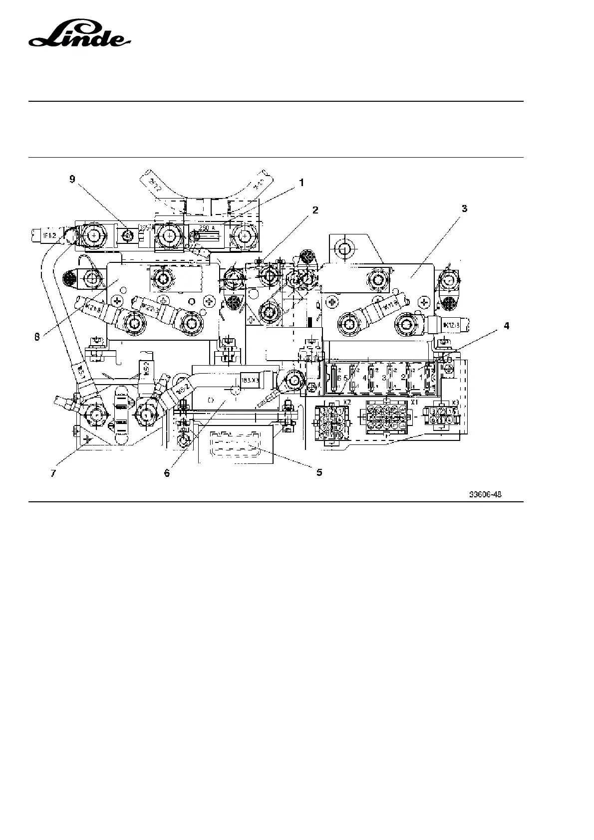
2.6.1.7 CONTACTOR PANELS
1 Main circuit fuse 2F1 for pump motor
2 Circuit breaker 1K6
3 Directional contactors 1K11, 1K12
4 Control current fuses
5 Timer 1A3 (to series 6/95 trucks only)
6 Voltage converter U1
7 Regenerative current contactor 1K5
8 Directional contactors 1K21, 1K22
9 Main circuit fuse 1F1 for traction motors

Table of Contents

Related product manuals