EasyManua.ls Logo

Linde E30 - Forward Direction of Travel

Linde E30
168 pages
Print Icon
To Next Page IconTo Next Page
To Next Page IconTo Next Page
To Previous Page IconTo Previous Page
To Previous Page IconTo Previous Page
Loading...
Service Training
Section 2.6
Page 42
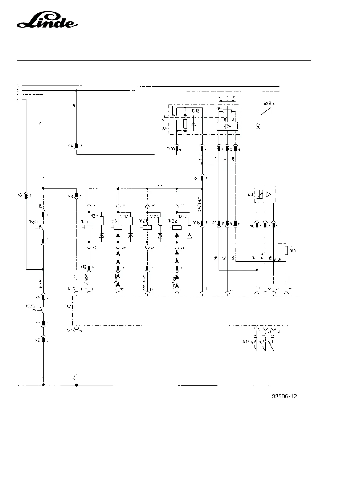
2.6.6.3.1 FORWARD DIRECTION OF TRAVEL
When the accelerator pedal for forward travel is depressed, the accelerator sensor output voltage at terminal
1X13:24 is less than 7.5 Volt.
When the accelerator sensor output voltage is less than 7.5 V, a logic circuit integrated in the electronic
traction control applies battery negative to contactors 1K12 (right-hand motor) and 1K22 (left-hand motor)
with the help of the two transistors for forward direction of travel.
In this way, switch 1S12 in the accelerator sensor does not control the directional contactors and it is therefore
electrically wear-free.

Table of Contents

Related product manuals