EasyManua.ls Logo

Linde E30 - Power Supply

Linde E30
168 pages
Print Icon
To Next Page IconTo Next Page
To Next Page IconTo Next Page
To Previous Page IconTo Previous Page
To Previous Page IconTo Previous Page
Loading...
Service Training
Section 2.6
Page 36
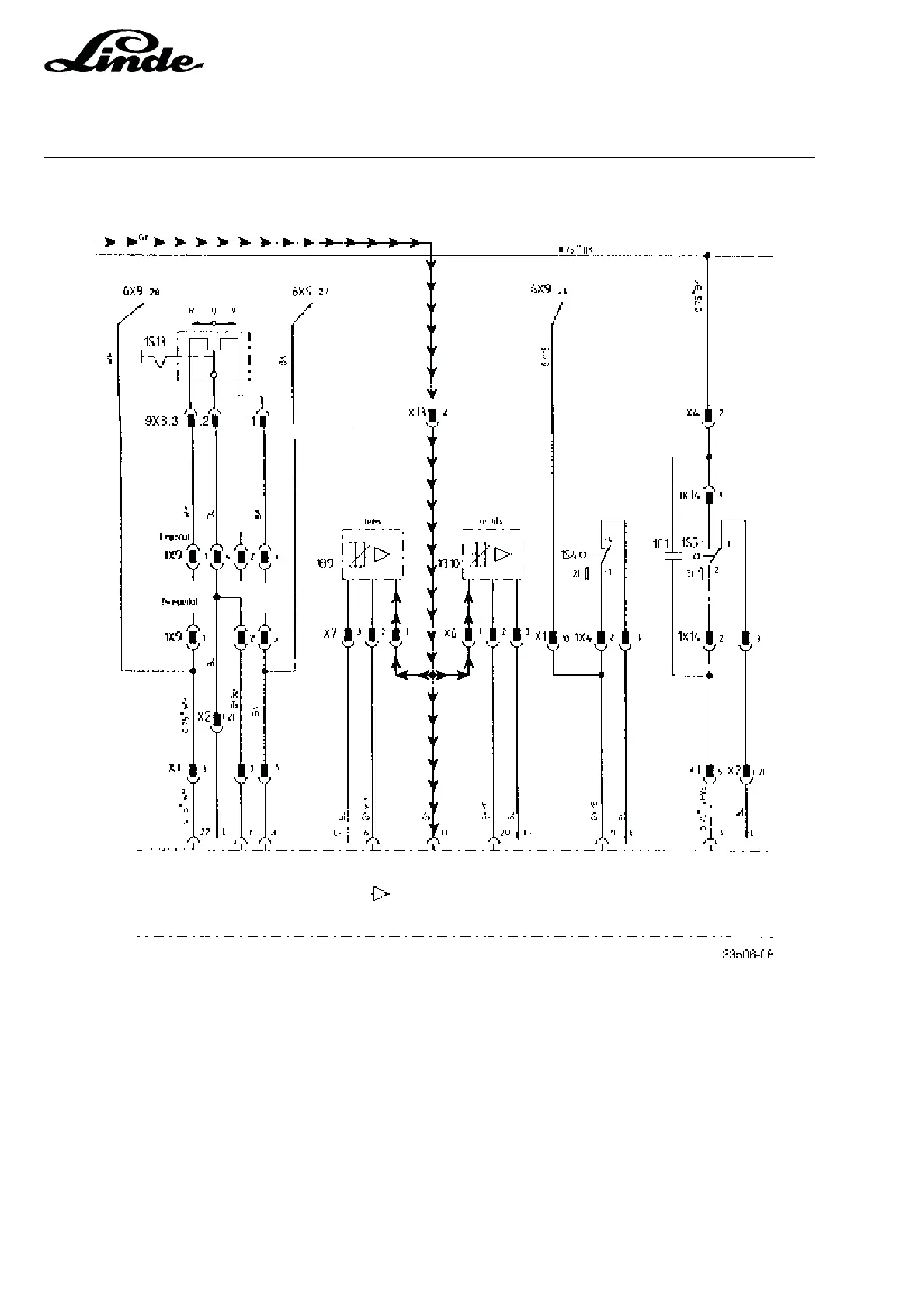
When key switch S1 is turned on, the voltage converter is connected to the primary side of battery positive.
The electronic traction control unit is supplied with 24 Volt at 1X13:13 via connector X8:3 and fuse 1F4.
Battery negative is connected to the electronic traction control unit via the auxiliary source terminal 1A1 of
the compact module.
24 V from voltage converter U1
2.6.6.1 POWER SUPPLY

Table of Contents

Related product manuals